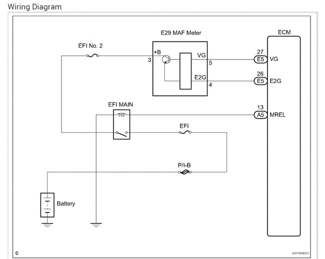
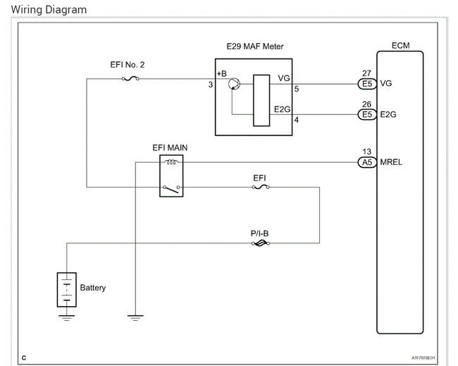
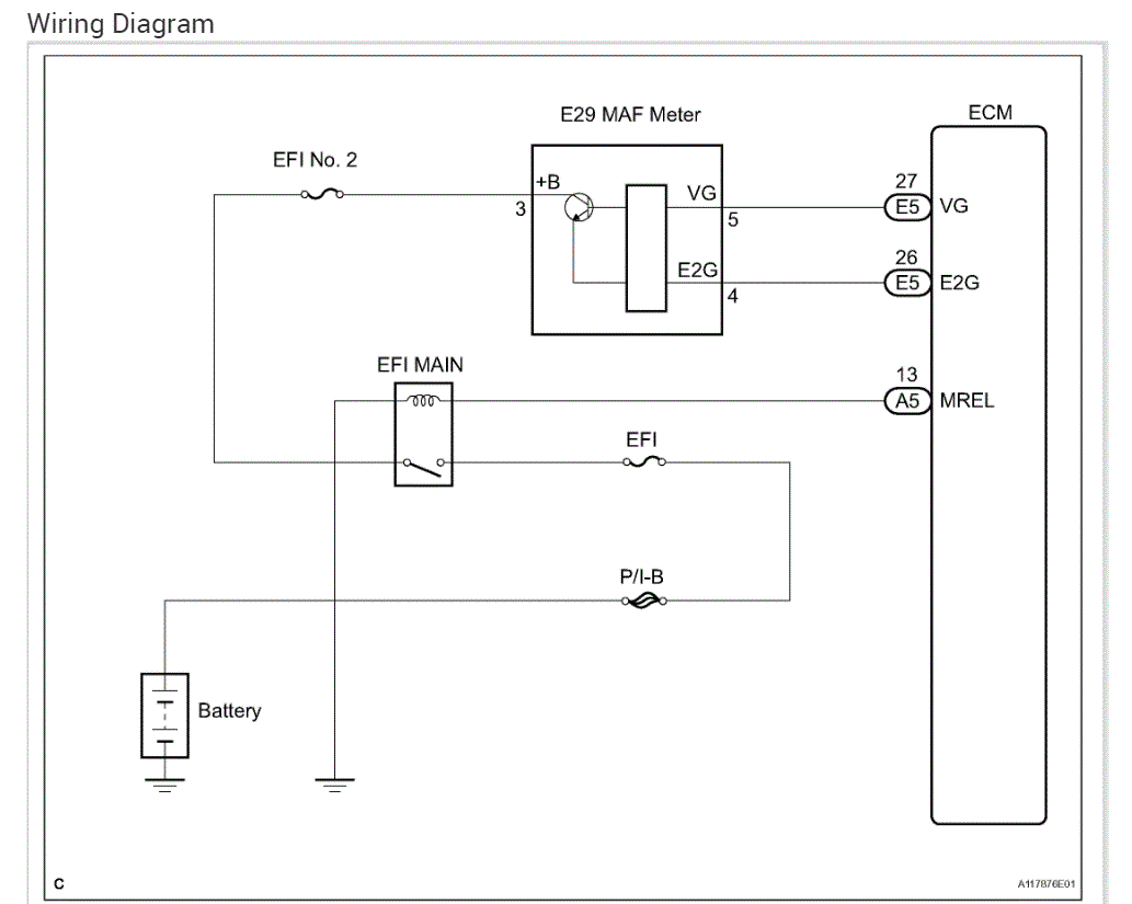
The light for check engine has been on despite checking, airflow sensor, cleaning the throttle and changing the plugs. When I start the engine, the vehicle can only move with the engine check on.
Other lights that are showing on the dashboard a triangle like light, skidding light, AFS light.
Other lights that are showing on the dashboard a triangle like light, skidding light, AFS light.
Feb 17, 2022 at 4:39 PM






