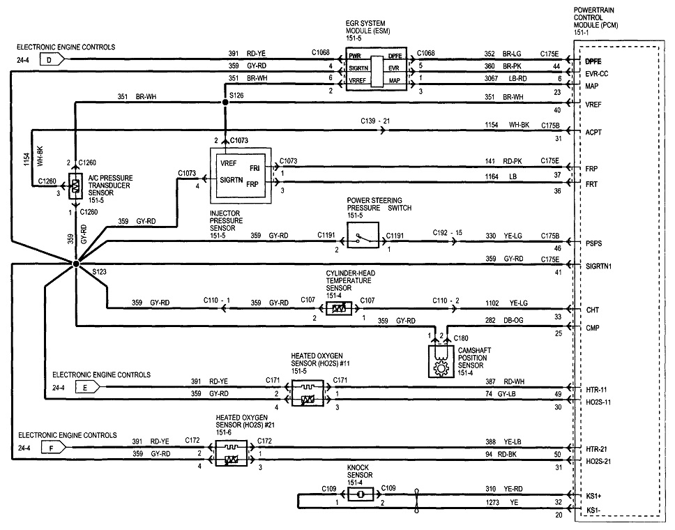
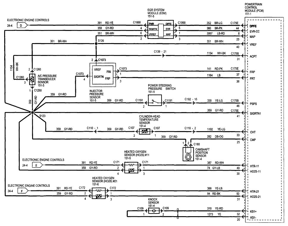
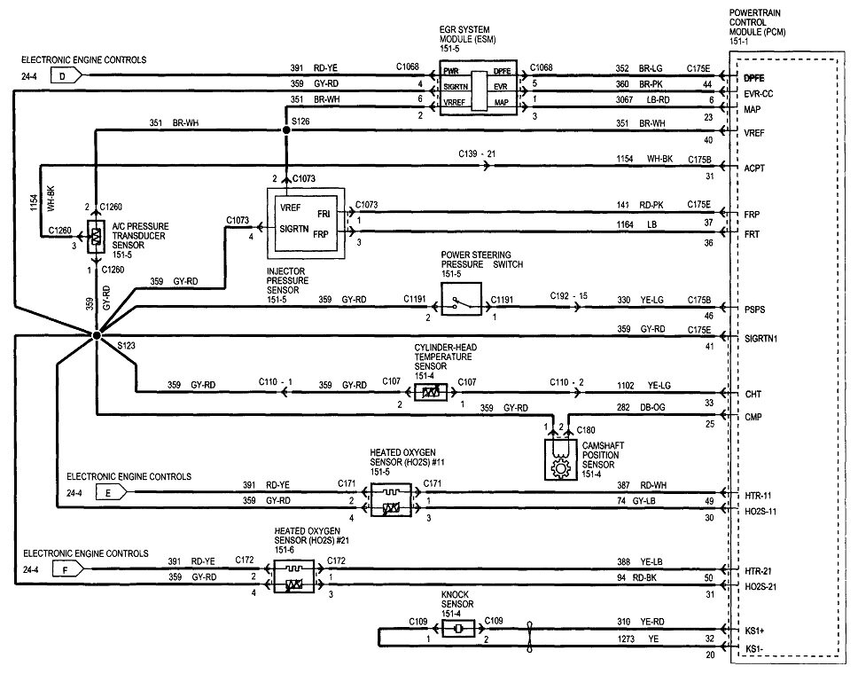
The MAP sensor is built into the EGR module. I added the third diagram as an expanded view to try to make it easier to read.
Be aware diagnostic fault codes never say to replace a part or that one is bad. They only indicate the circuit or system that needs further diagnosis. When a part is referenced in a fault code, that part is the cause of the code only about half of the time. First we have to rule out wiring and connector terminal problems, and mechanical problems associated with that part.
Some diagnostic charts can be up to 33 pages long. Ford didn't offer quite that much for you to read. The fifth image is of the diagnostic chart for P0108.
If any of these are too hard to read, you can copy them into a typing program such as MS Word where they can be expanded, or let me know which ones you need and I can cut them into pieces that I can expand for you.
Images (Click to enlarge)
Mar 7, 2023 at 5:43 PM