Code p1406 and check engine light on?

1996 CHEVROLET S-10
175,000 MILES • 4.3L • 6 CYL • AUTOMATIC
Avatar
SARAHLUU
  • MEMBER
  • 1 POST
reads p1406 error code.
Nov 30, 2022 at 2:22 PM
Advertisement
Avatar
JACOBANDNICKOLAS
  • CERTIFIED EXPERT
  • 110,175 POSTS
Hi,

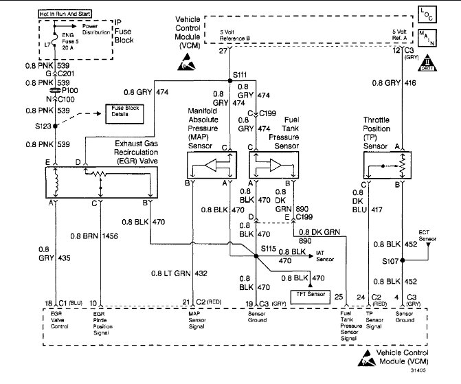
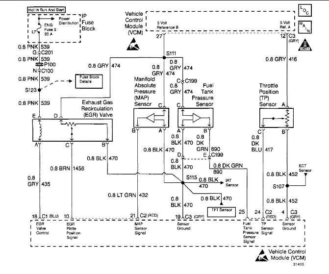
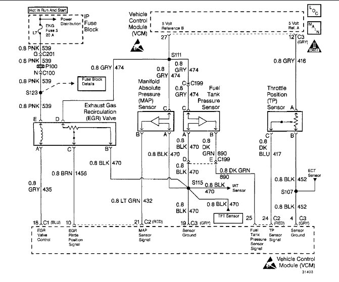
The code is related to the positioning of the pintle valve in the EGR. Have you checked to make sure the pintle is closing fully?

I attached the diagnostics below. Take a look through them and let me know if you are comfortable performing them.

Let me know if this helps or if you have questions.

Take care,

Joe

See pics below.
Nov 30, 2022 at 9:32 PM