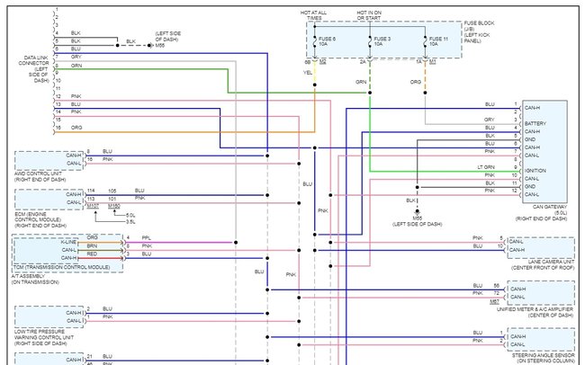
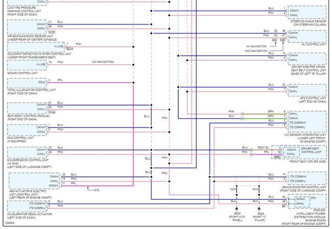
The image is not my cluster, it's just for reference.
I just recently got the car listed above fx35 and noticed four lights on the cluster are missing when the ignition is in "on" position.
And they are:
1. Check engine
2. AWD
3. Cruise and
4. IBA off
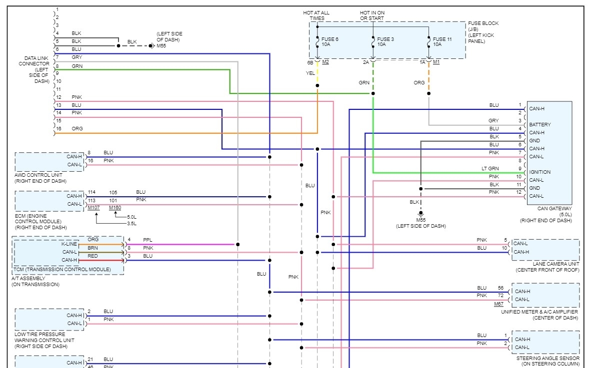
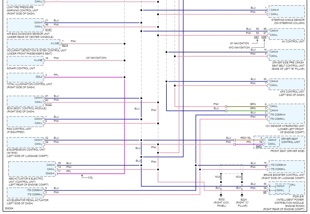
With the check engine light not present, the obd2 port doesn't connect to a scanner.
I've checked fuses and found some missing and shorted and replaced them but no luck.
I need help here.
I just recently got the car listed above fx35 and noticed four lights on the cluster are missing when the ignition is in "on" position.
And they are:
1. Check engine
2. AWD
3. Cruise and
4. IBA off
With the check engine light not present, the obd2 port doesn't connect to a scanner.
I've checked fuses and found some missing and shorted and replaced them but no luck.
I need help here.
Feb 13, 2022 at 8:59 PM



