check engine light

2000 MERCEDES BENZ E320
110,000 MILES • 3.2L • 6 CYL • TURBO • RWD • AUTOMATIC
Avatar
PAULANG007
  • MEMBER
  • 4 POSTS
check engine light not working at all. we have had it on a snap on scanner done all the work on what codes it had ten in all. we reset it i drove it for a week we put it back on scanner using pound port under bonnet and it only had two codes, one was AGR the other was MSF sensor. so replaced both now all fixed no codes after a month of driving car all is well accept the check engine light not working. we changed bulb for one we know works turn ignition on. still no check engine light. can it have been turned off in ECU? if so how do i turn it back on? also, SRS light are off all of them dash and consul one.
Oct 5, 2017 at 11:23 AM
Advertisement
Avatar
STRAILER
  • CERTIFIED EXPERT
  • 53,854 POSTS
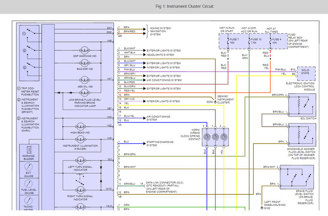
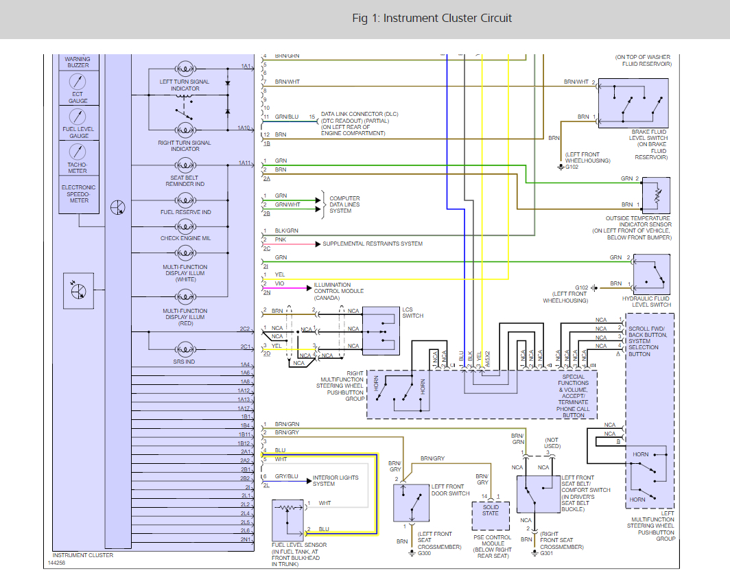
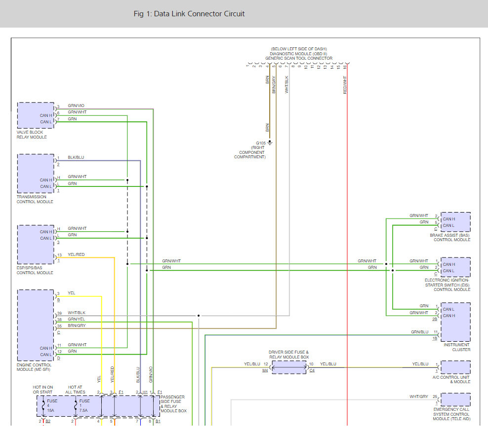
It sounds like you may have a fuse out. Here are some wiring diagrams and a guide to help us get started checking to see whats wrong.

https://www.2carpros.com/articles/how-to-check-a-car-fuse

Please let us know what happens.

Cheers, Ken
Oct 6, 2017 at 4:09 PM
Avatar
PAULANG007
  • MEMBER
  • 4 POSTS
no not helpfull as there is no fuse to the light according to merc
Oct 11, 2017 at 6:42 AM
Advertisement
Avatar
STRAILER
  • CERTIFIED EXPERT
  • 53,854 POSTS
There is no fuse for the check engine light but the system uses many fuses and its best if we know that they are okay before we chase our tail just to figure out a fuse was bad that why I have you check those first.
Oct 11, 2017 at 10:36 AM
Avatar
PAULANG007
  • MEMBER
  • 4 POSTS
scanner saying the mil light is off as though its been turned off in ecu
Oct 12, 2017 at 5:49 AM
Avatar
STRAILER
  • CERTIFIED EXPERT
  • 53,854 POSTS
Off just means there are no codes, does the light come on with the key "on" engine not running?
Oct 12, 2017 at 11:00 AM
Avatar
PAULANG007
  • MEMBER
  • 4 POSTS
no it does not come on at all at any time
Oct 16, 2017 at 8:32 PM
Avatar
STRAILER
  • CERTIFIED EXPERT
  • 53,854 POSTS
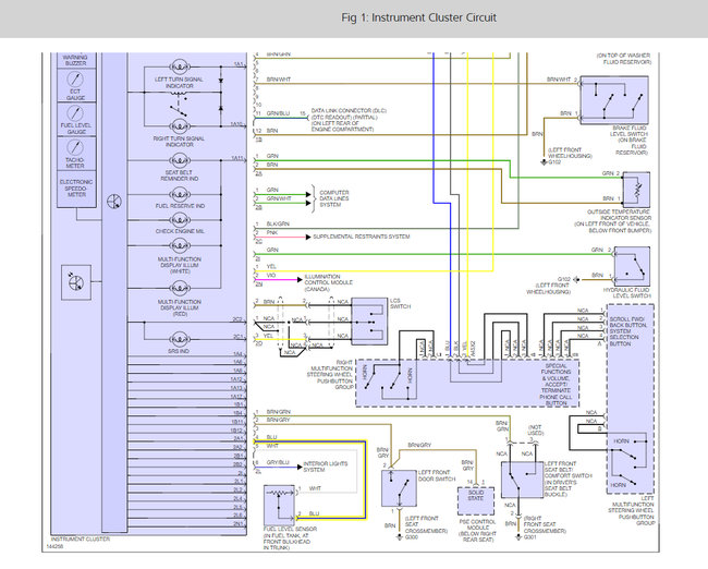
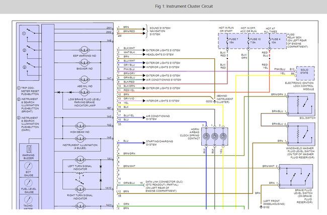
Of course it should light up with the key on. I would test the output wire on the ECM using this guide to see if it is a computer problem or a connection issue.

https://www.2carpros.com/articles/how-to-use-a-test-light-circuit-tester

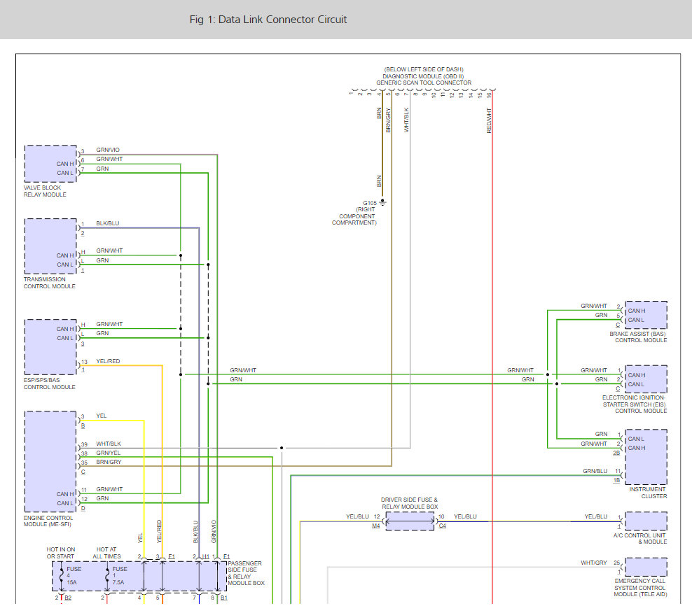
Check for any change in the computer data lines headed into the instrument cluster. It could be a logic issue with the cluster. I would try to unplug the cluster and then reconnected it to see if it is just a bad connection as well.

Cheers, Ken
Oct 17, 2017 at 3:35 PM