Check engine light not working?

1999 HONDA CIVIC
149,000 MILES • 4 CYL • 2WD • MANUAL
Avatar
JOHNNY LORONA
  • MEMBER
  • 1 POST
I have no check engine light never coming on at all. No codes. Bulb is new.
Dec 13, 2020 at 12:33 PM
Advertisement
Avatar
STRAILER
  • CERTIFIED EXPERT
  • 53,854 POSTS
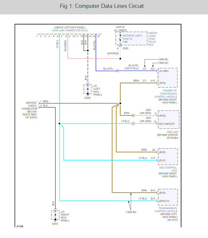
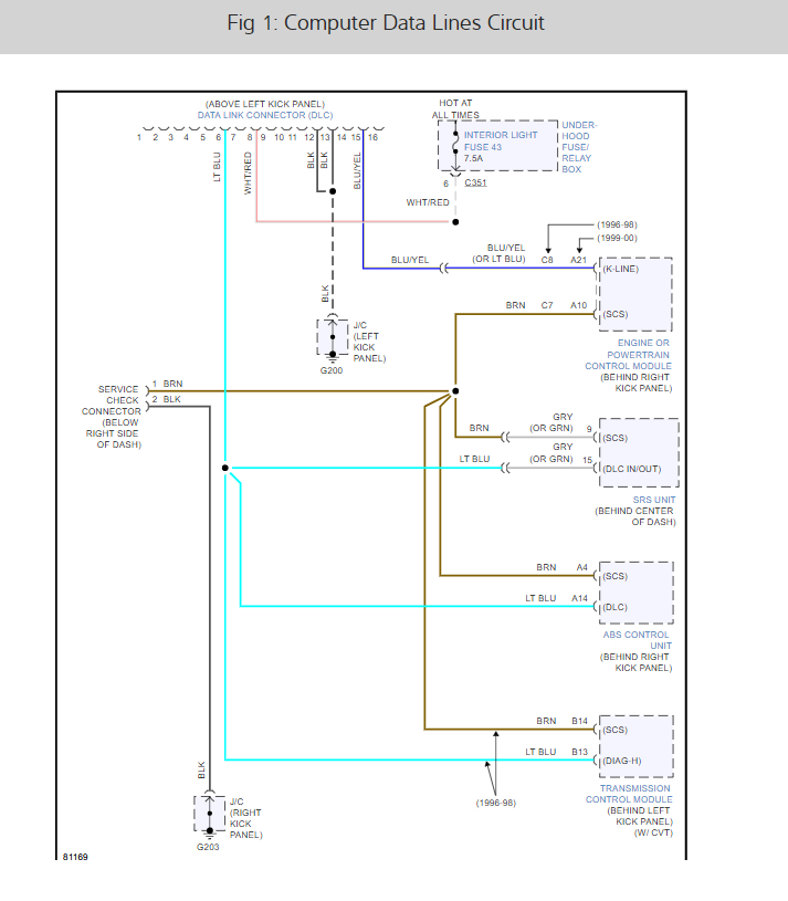
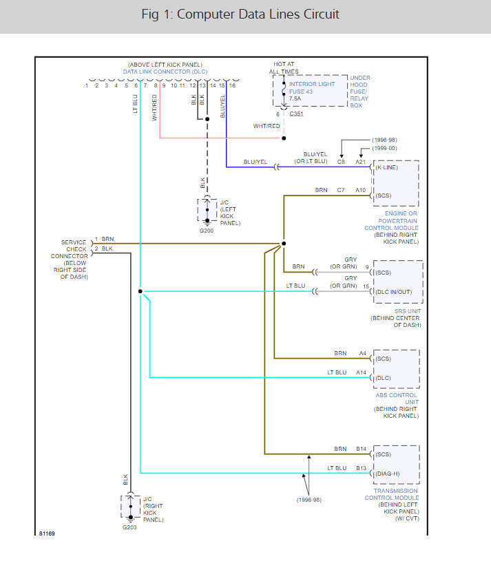
there is an interior light fuse #43 we need to check for power. this guide will help us with the check engine light ALDL wiring diagrams below so you can see how the system works along with the fuse locations as well.

https://www.2carpros.com/articles/how-to-check-a-car-fuse

Check out the diagrams (below). Please let us know what happens.

.
Dec 14, 2020 at 10:55 AM