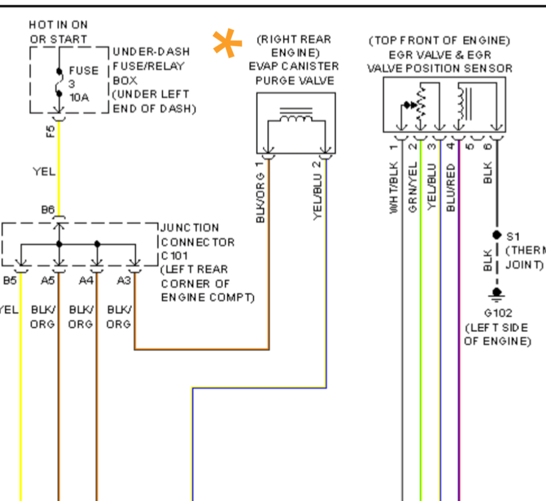
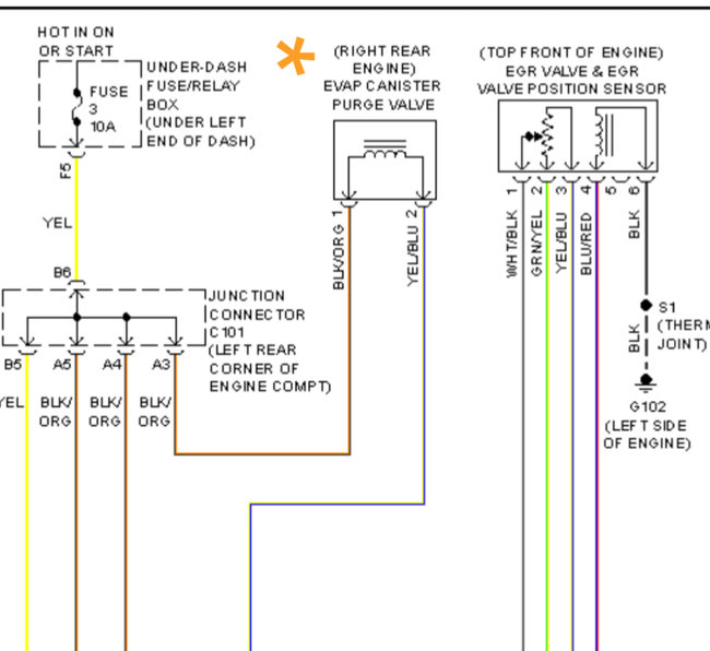
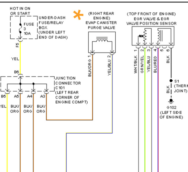
I just bought an 03 Civic Hybrid with 38000 miles. After driving it for a few weeks I noticed that it sometimes idles very roughly. At times when going slow (i.e. up a parking ramp) the engine will jerk and chug forward violently. What is the likely culprit and how much should I expect to pay to have it fixed?
On a side note--the passenger window has a nasty gunk (it almost looks like miniature cracks in the window, but the window isn't cracked) on it--any suggestions to get it clean and keep it clean? Carwashes and hand washing hasn't worked.
Aug 30, 2020 at 11:20 AM
(Merged)