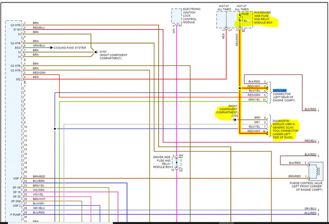
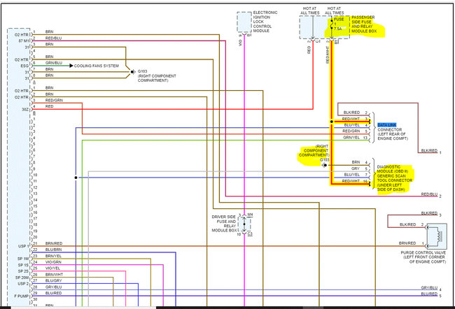
I bought the car listed above used. I do not know if check engine light will come on or not when starting. I only read in the manual that it does light up abs, esl, seat belt, srp but does it include Check Engine? Somehow it is affecting transmission of the car it is connected to transmission the RPM through CANBUS?
Mar 17, 2022 at 7:22 AM
