check engine light on and code P1132

1999 FORD ESCORT
181,000 MILES • 2.0L • 4 CYL • 2WD • AUTOMATIC
Avatar
PALACIO239
  • MEMBER
  • 12 POSTS
I went to my mechanic due to a check engine light that came on. so here’s what he told me: he told me that the intake runner was bad, he told me that he had contacted the dealership for the part but told me that they no longer manufacture the part, (he told me he looked around the internet) that it was no longer made, he told me that the part had to be brand new and could not be in used condition because a used one would be no point? I’m wondering if what he told is accurate and true? He told me it would not pass smog due to the light being on? So I’m wondering if there’s any possible fix to this? is there anything I could do? I added some pics of what I’m guessing the part is or looks like, the trouble code is P1132.
Oct 22, 2020 at 10:33 PM
Advertisement
Avatar
ASEMASTER6371
  • CERTIFIED EXPERT
  • 52,796 POSTS
Good morning,

Yes, the part is discontinued for Ford.

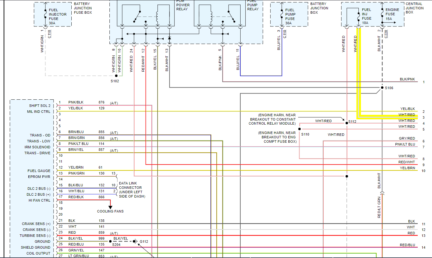
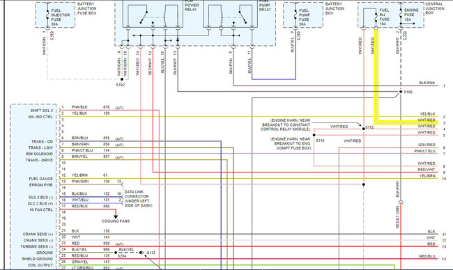
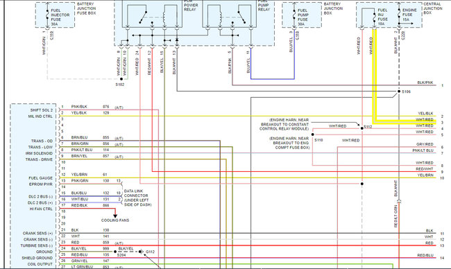
I do not understand how he came up with the runner failing based on the code. The code indicates a rich command from the O2 sensor. I attached the possible issues for the code. I would check the fuel pressure as a lack of the correct pressure could set this code.

https://www.2carpros.com/articles/how-an-oxygen-sensor-works

https://www.2carpros.com/articles/how-to-replace-an-oxygen-sensor

https://www.2carpros.com/articles/how-to-check-fuel-system-pressure-and-regulator

I think the runners are fine based on the code that was set.

I attached possible reasons for the code and they must all be checked to find the failure. If you have an advanced scan tool that can read live data and turn components on and off, it will help you a lot.

Roy

Oct 23, 2020 at 4:42 AM