Check charging system issue?

2007 FORD FIVE HUNDRED
200,000 MILES
Avatar
DARRYLDOUGLAS51
  • MEMBER
  • 1 POST
Put on 3 alternators, a brand-new battery and starter. And the battery light keeps coming on telling me to check the charging system.
Oct 5, 2024 at 4:46 PM
Advertisement
Avatar
JACOBANDNICKOLAS
  • CERTIFIED EXPERT
  • 110,175 POSTS
Hi,

Is the battery staying charged or does it get weak? If that is the case, I need you to check something for me,

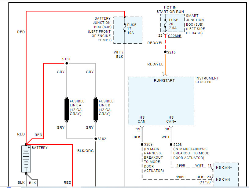
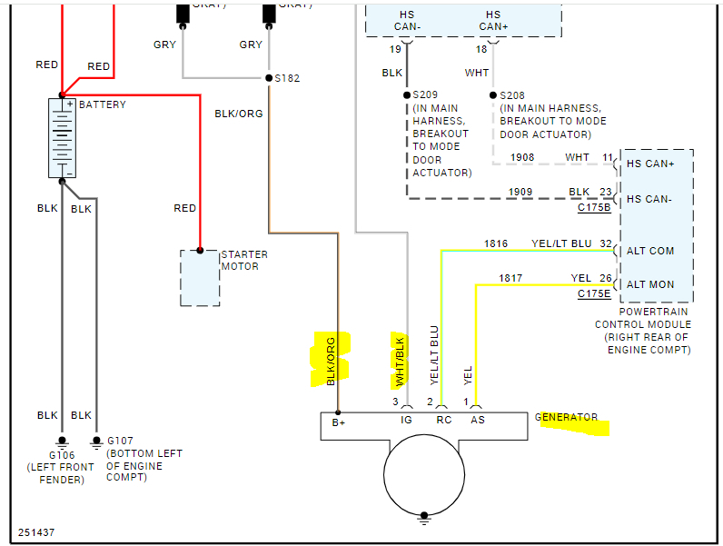
At the alternator, you will find a black wire with an orange tracer and a white wire with a black tracer. Both of these wires should have power at all times. I need you to confirm they do.

I attached the charging system wiring schematic below so that you would have a reference. I highlighted the two wires I am referring to.

Let me know what you find.

Joe

See pics below. Note: I had to cut the pic in half to make it readable.
Oct 5, 2024 at 8:39 PM