check charging system light came on?

2003 FORD EXPEDITION
200,000 MILES • 5.4L • V8 • 2WD • AUTOMATIC
Avatar
MAMABIRD1120
  • MEMBER
  • 2 POSTS
Bought it used. After a week some issues came. Wouldn't start. Then it would. Back and forth. Then check charging system light came on. Replaced alternator, spark plugs, fuel injectors. Now the check charging system is a constant alarm of dinging and no dash lights. I'm so confused.
Feb 13, 2023 at 6:22 AM
Advertisement
Avatar
STRAILER
  • CERTIFIED EXPERT
  • 53,854 POSTS
Hello MAMABIRD,

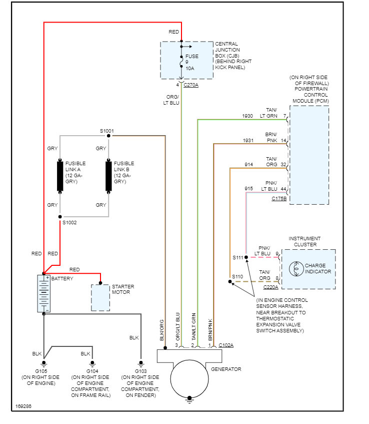
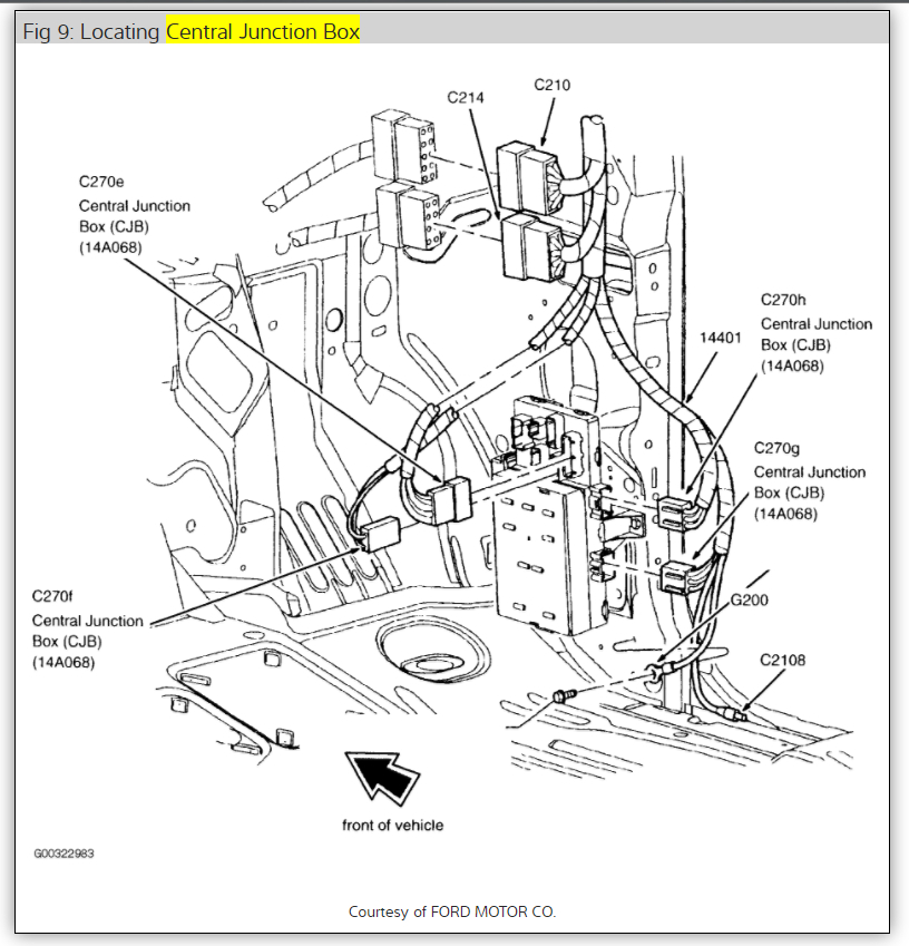
The first thing we need to do is check for power through fuse #9 in the fuse panel behind the right kick panel and fusible link A and B in the main fuse panel under the hood.

This guide can help you test the fuses:

https://www.2carpros.com/articles/how-to-check-a-car-fuse

I have included the fuse locations as well as the alternator wiring diagrams so you can see how the system works. Please let us know what you find. The fusible links are in the main wiring harness near the alternator. If test the blk/org wire at the alternator it should have power that way you know the fusible links are okay. Also, we should run the codes to see what comes up.

https://www.2carpros.com/articles/checking-a-service-engine-soon-or-check-engine-light-on-or-flashing

Please let us know what happens. Check out the images (below).





Feb 13, 2023 at 11:18 AM
Avatar
MAMABIRD1120
  • MEMBER
  • 2 POSTS
Did it. The alternator is putting out charge. Battery is charging. Changed the fusible link. Fuses are good. Getting a 14.3 reading while crank. Still same dinging.
Feb 13, 2023 at 1:26 PM
Advertisement
Avatar
STRAILER
  • CERTIFIED EXPERT
  • 53,854 POSTS
As you can see by the wiring diagram the system is pretty straightforward and it sounds like the voltage monitoring portion of the PCM is not working. I would get a rebuilt unit by searching google or eBay and install it. Here is the location and direction on how to do the job. The PCM doesn't need programming so it will be an easy fix. Also, when you have the electrical connector off of the PCM check the pins for rust or corrosion. Please get back to us and check the images below.
Feb 14, 2023 at 12:31 PM