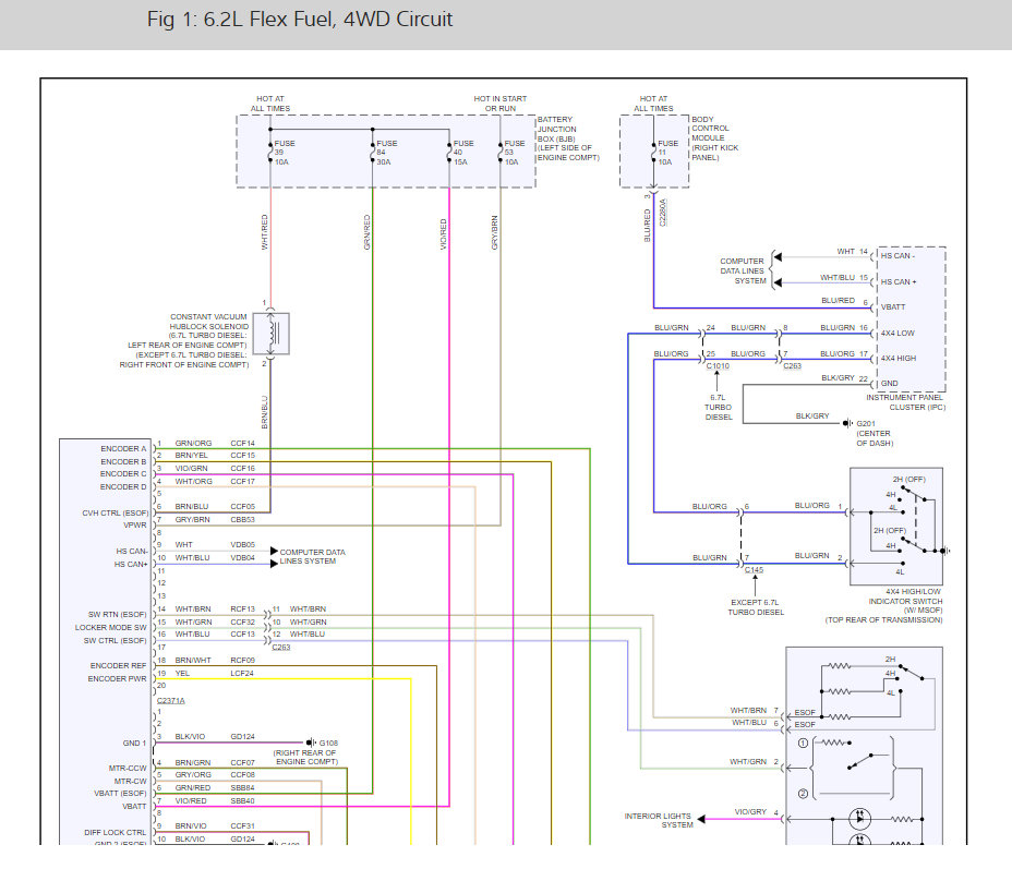
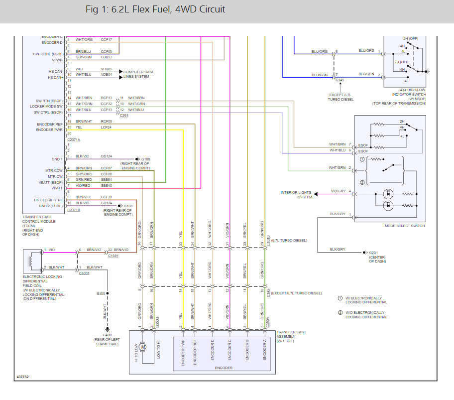
I'm new to this, so please be patient. Truck listed above is a 4x4. when I rotate the selector switch to 4h or 4l, the "check 4x4" light instantly comes on. I can't hear anything clicking, nothing at all. I checked the fuses that the manual said were for 4x4, but they are good. I can't find which, or if any, relays are associated with the 4x4 function, or where they are located. The one interesting thing I found in my quick look at it was an electrically activated valve of some sort that seems to allow vacuum pressure to the hubs (it's mounted right by the fuse box under the hood, driver side). When the switch is rotated, it doesn't "open" to let vacuum operate the hubs. I don't know what has to happen ahead of that to make it operate, just kind of interesting. In any case, any help is greatly appreciated.
Sep 24, 2019 at 3:12 PM









