Brake lights on, with key on and headlights selected off brake lights still on as well as third brake light. Lights do extinguish with key off.
Traction control & stabilitrack message illuminate after a few moments of driving. ABS/ brake message not illuminated. Messages reset after key off.
Instrument panel lights will not dim, full bright.
Brake switch has been replaced.
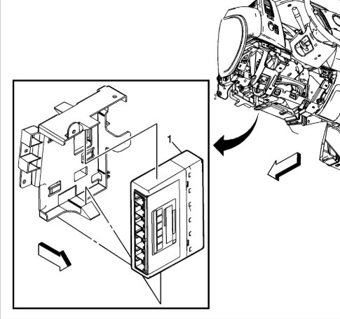
Reseated connector @ the EBCM same condition remains.
Wiring appears to be intact from what I can see.
Can I pull the fuse and disable the EBCM to troubleshoot?
Traction control & stabilitrack message illuminate after a few moments of driving. ABS/ brake message not illuminated. Messages reset after key off.
Instrument panel lights will not dim, full bright.
Brake switch has been replaced.
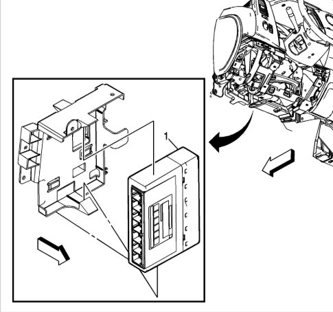
Reseated connector @ the EBCM same condition remains.
Wiring appears to be intact from what I can see.
Can I pull the fuse and disable the EBCM to troubleshoot?
Dec 12, 2025 at 2:34 PM

