Can someone help me find a wiring diagram on this vehicle?
Jun 29, 2018 at 3:43 PM
Advertisement
STEVE W.
CERTIFIED EXPERT
15,113 POSTS
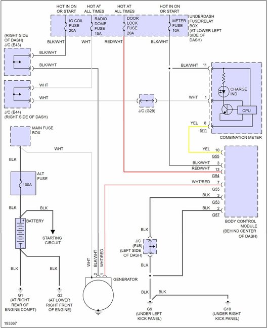
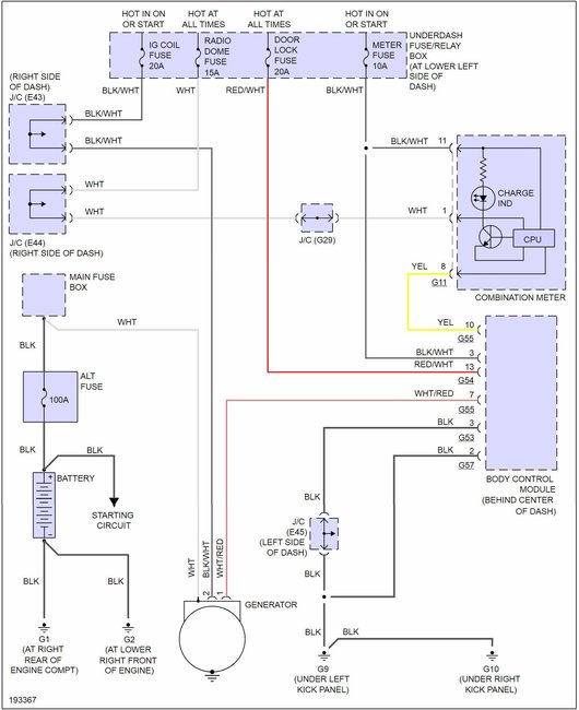
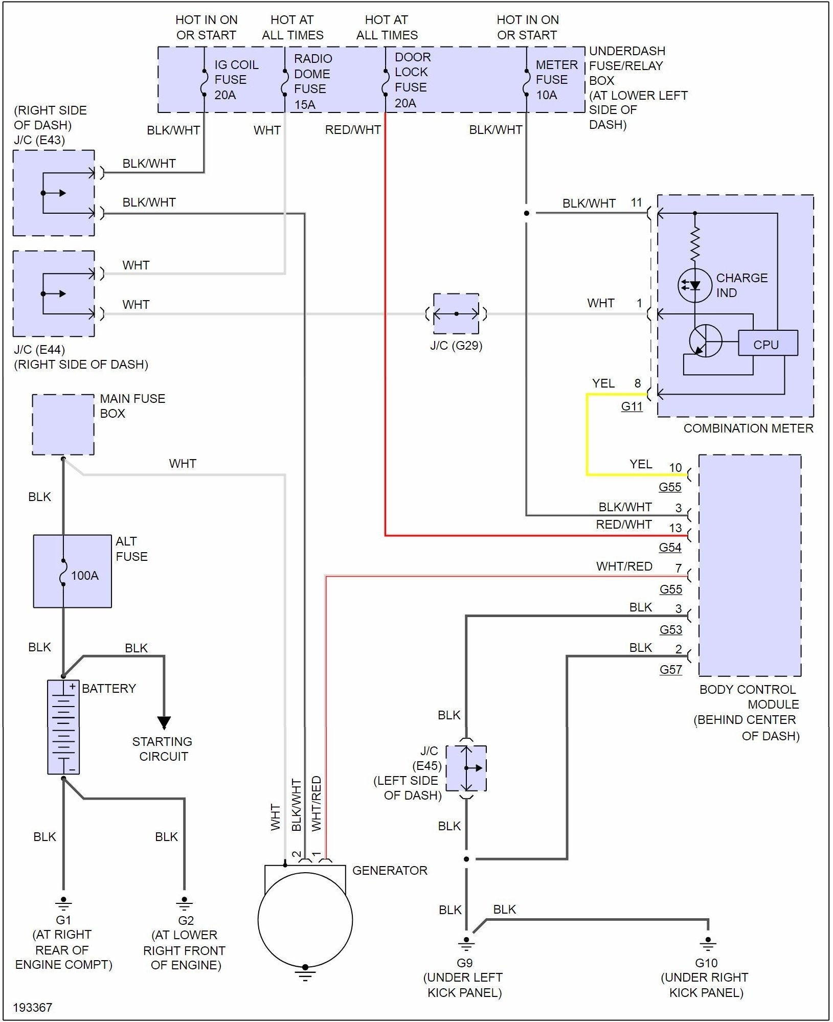
This is the charging system. If this is not what you were looking for just post back with which area(s) you need. Check out the diagrams (Below). Please let us know if you need anything else to get the problem fixed.