Charging system

1995 CADILLAC SEVILLE
80,000 MILES • 4.6L • V8 • 2WD • AUTOMATIC
Avatar
JOHN 57
  • MEMBER
  • 6 POSTS
Battery not charging. Checked voltage at battery and terminal on fuse panel, ten volts car running. Found alternator (three wire) no output. Need wiring schematic as later models show generator (five wire), so I am unsure alternator correct for this application. Can adapt if need be but prefer to return to factory correct, if indeed it is not.
Have number 8 wire from back terminal of alternator direct to battery and number 2 terminal only one being used. I really appreciate the help that all of you provide.
Jan 24, 2018 at 10:01 PM
Advertisement
Avatar
PATENTED_REPAIR_PRO
  • CERTIFIED EXPERT
  • 1,853 POSTS
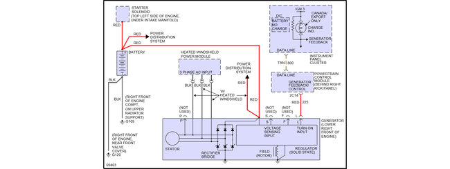
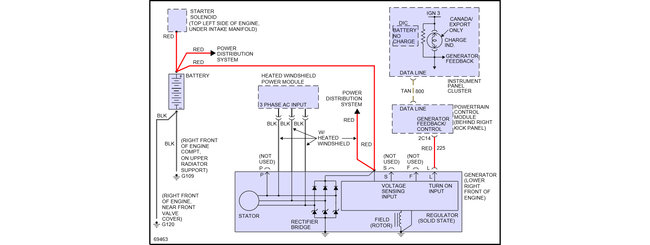
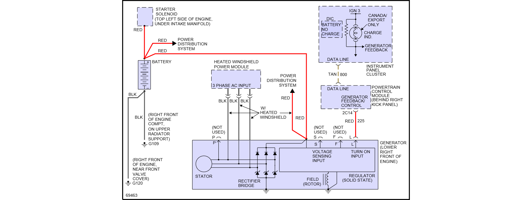
I assume you do not have the heated windshield, because it appears that is the difference.
Jan 25, 2018 at 6:53 AM
Avatar
JOHN 57
  • MEMBER
  • 6 POSTS
Correct , windshield not heated.
Jan 25, 2018 at 9:29 AM
Advertisement
Avatar
PATENTED_REPAIR_PRO
  • CERTIFIED EXPERT
  • 1,853 POSTS
This appears to be a one wire sort of hookup. Test the voltage again while revving the engine up right at the rear of the alternator on the connection for the larger gauge wire that feeds the battery positive post. If it is still not about 14 volts, chances are the alternator is not working. Remove it and take it into an auto-parts store like AutoZone or Advance Auto for a free bench test and replace it if it fails and check it again after you install it.
Jan 25, 2018 at 9:43 AM
Avatar
JOHN 57
  • MEMBER
  • 6 POSTS
Then this model does not use temperature sensing even though instrument panel displays true temperature ? Was assuming some one installed the wrong alternator and butchered wiring to adspt.
Jan 25, 2018 at 9:54 AM
Avatar
JOHN 57
  • MEMBER
  • 6 POSTS
If there is a wire that i find coming from the instrument cluster/generator feed back. Would i be correct that it connects to terminal S ?
Jan 25, 2018 at 10:02 AM
Avatar
PATENTED_REPAIR_PRO
  • CERTIFIED EXPERT
  • 1,853 POSTS
No, the "L" terminal.
Did you open the wiring diagram picture I gave you?
Jan 25, 2018 at 10:31 AM