Charging system, battery not charging?

2008 TOYOTA COROLLA
25,147 MILES • 1.0L • 4 CYL • 2WD • AUTOMATIC
Avatar
EMMANUELNGANDU
  • MEMBER
  • 29 POSTS
The battery is not charging, the battery light comes on when the ignition is on and goes soon after starting.
What could be causing this problem?
Dec 5, 2023 at 3:09 PM
Advertisement
Avatar
JACOBANDNICKOLAS
  • CERTIFIED EXPERT
  • 110,175 POSTS
Hi,

It could be a few things. I do, however, have a question. When you say, "the battery light comes on when the ignition is on and goes soon after starting," do you mean the battery light turns off?

First, if the alternator hasn't been replaced, I need you to check if it is charging at all. All you will need is a voltmeter or multimeter.

Here is a link that explains how to do it:

https://www.2carpros.com/articles/how-to-check-a-car-alternator

If it isn't charging, confirm the belt is tight and in good condition.

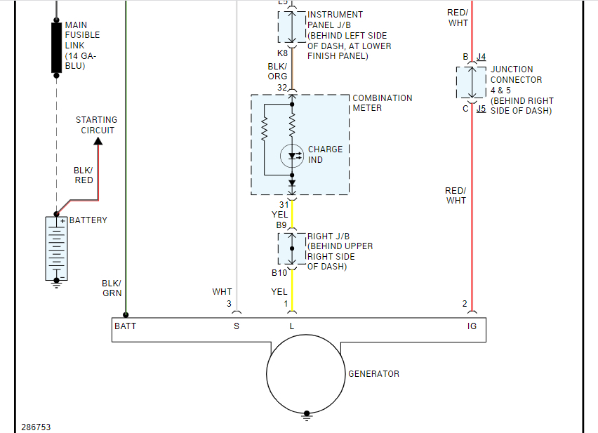
Next, I attached two pictures below of the charging system wiring schematic. Note that I had to cut the pic in half to make it readable. I did overlap the two and highlighted fuses I need you to check.

Note the locations of the fuse boxes they are located in. When you check them, it is important that if the fuse is good, you must confirm there is power present to it.

Here is a link that explains how to check:

https://www.2carpros.com/articles/how-to-check-a-car-fuse

Do this after checking the alternator output. Also, if the fuses are good and have power to and from them, then go to the alternator and check the wiring at the connector for power. The red wire in the schematic will only have power with the key on. The others (based on the schematic) should have battery voltage at all times.

Let me know what you find or if you have questions.

Take care,

Joe

See pics below.
Dec 5, 2023 at 6:50 PM