Alternator not charging

1994 CHRYSLER LE BARON
125,000 MILES • 3.0L • V6 • 2WD • AUTOMATIC
Avatar
DANNY KIMBERLIN
  • MEMBER
  • 3 POSTS
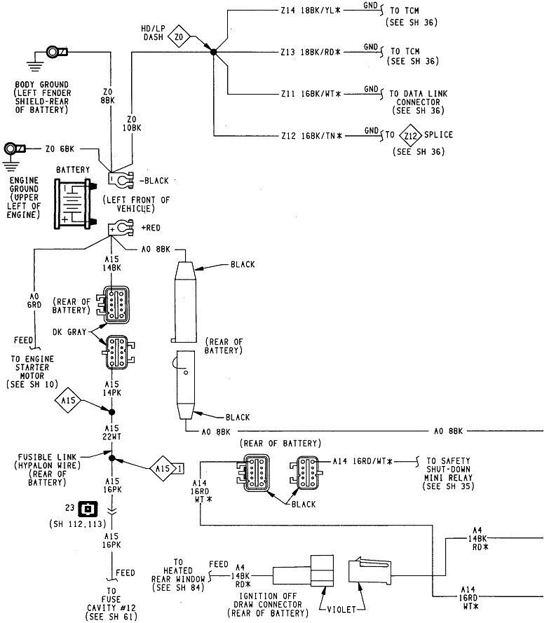
I’ve got power at the fields, also have battery voltage at the big wire. I can ground the dark green wire and it will charge wide open. alternator is new. I’ve also checked all the fuses my understanding is the voltage regulator is part of the PCM. I don’t have a wiring diagram of this car and not sure where the dark green wire is coming from but it does have power on it, but when grounded the alternator charges wide open.
Feb 5, 2021 at 10:22 AM
Advertisement
Avatar
CARADIODOC
  • CERTIFIED EXPERT
  • 34,306 POSTS
Measure the exact voltages on the two smaller field terminals while the engine is running, and tell me what you find.

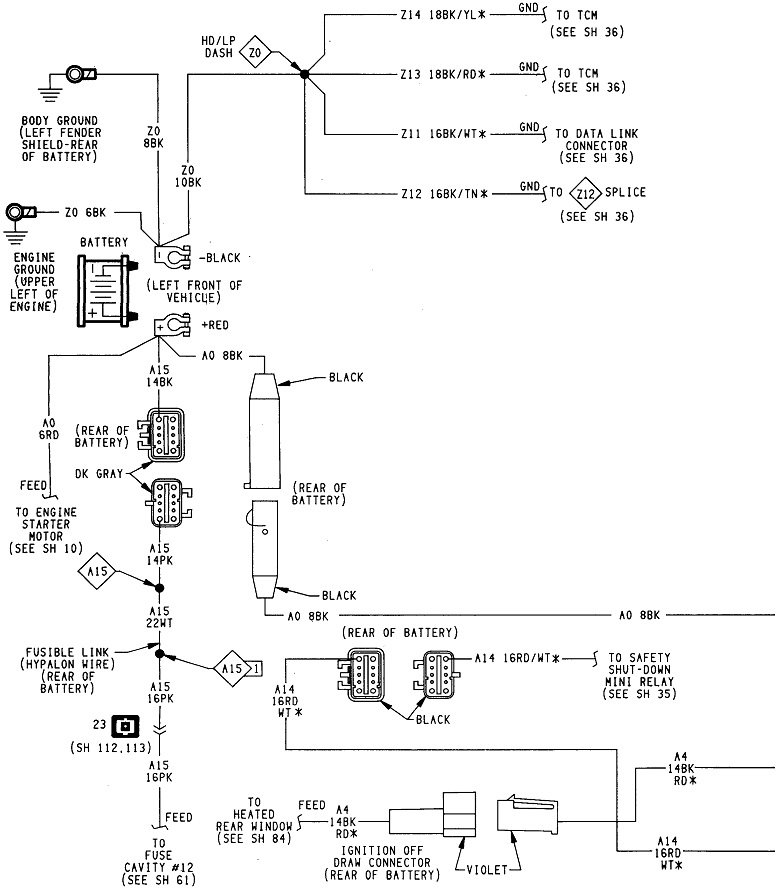
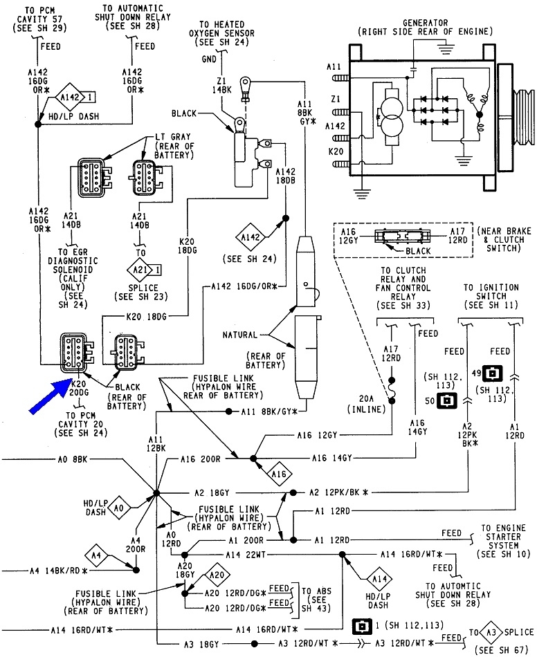
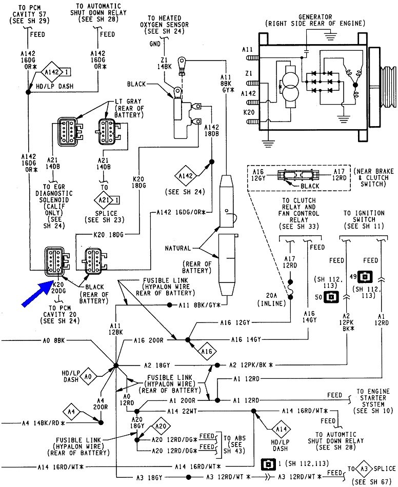
The dark green/orange circuit, (turns into a dark blue wire at the alternator) will have full system voltage any time the engine is running. That's the same circuit that feeds the ignition coil and injectors.

The dark green wire goes to ground through the voltage regulator inside the Engine Computer. While the regulator could become open, they have been reliable enough that we should look somewhere else first for the best suspects. Under normal operation you will find less than system voltage on the dark green wire, but not 0 volts. 4 - 11 volts is typical. The lower the voltage, the bigger the difference between the two, which means a bigger electromagnetic field and the more output voltage and current.

If you find 0 volts on the dark green wire, the brushes are open. They can be replaced separately, and on some engines that can be done without even removing the alternator from the engine. This isn't the cause here because with open brushes, grounding the dark green wire to full-field the system won't do anything. You'll still have no output.

The only other way to have 0 volts on the dark green wire is if that wire is grounded, but that would cause the system to run wide-open, as you already found. Logic would dictate the voltage regulator could also be shorted, but when that happens, it is not capable of taking that dark green circuit all the way to 0 volts. You'll still find two or three volts.

The best suspect for a break in the dark green circuit is the mating connector terminals shown with my blue arrow. If you back-probe that wire next to the dark green wire, then use a jumper wire to ground it, that should also full-field the system and make it charge wide-open. Do that on both sides of the connector. If full-fielding only occurs on one side, there's a break inside that connector.
Feb 5, 2021 at 11:13 AM