Charging system

2008 FORD F-250
92,000 MILES
Avatar
CHANCESADLER
  • MEMBER
  • 8 POSTS
Can voltage still go through a bad fusible link s on 2008 5.4 with new alternator and good battery? Seems to stay around 11.90 and tried two good batteries.
Aug 14, 2019 at 12:20 PM
Advertisement
Avatar
BMDOUBLE
  • CERTIFIED EXPERT
  • 1,139 POSTS
No, you'll need to replace the fusible links.
Aug 14, 2019 at 1:14 PM
Avatar
CHANCESADLER
  • MEMBER
  • 8 POSTS
Even if I have voltage on both sides? Can't decide for sure yet but looking like something to do with yellow wire on pigtail at alternator. Just haven't found my diagram yet and haven't been able to get Chilton or something. But appears unless I'm overlooking something to do with fuse links, that PCM is not telling alternator to charge. Only fuse links are the 3 by the battery?? Also minus the bad alternator having to be replaced, I had just replaced the engine with another used engine to loosing factory one and was same 8th VIN etc., but ran into the charging system not charging.
Aug 14, 2019 at 8:22 PM
Advertisement
Avatar
BMDOUBLE
  • CERTIFIED EXPERT
  • 1,139 POSTS
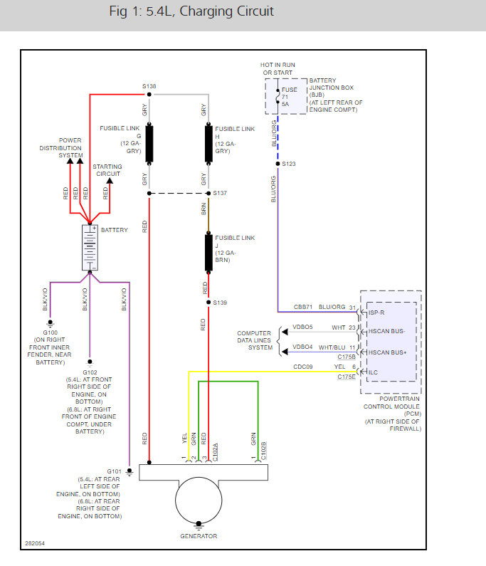
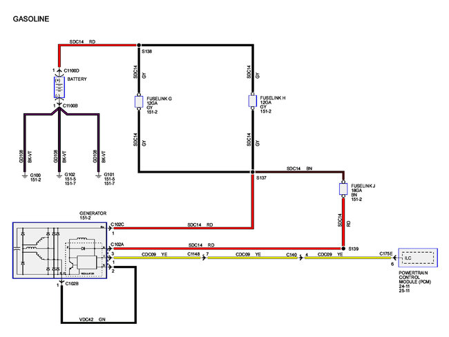
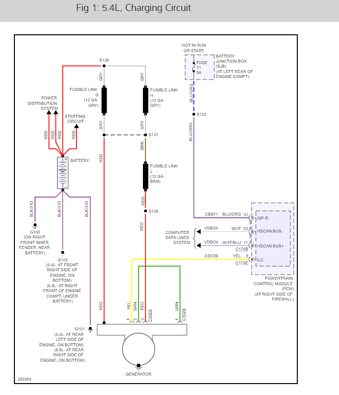
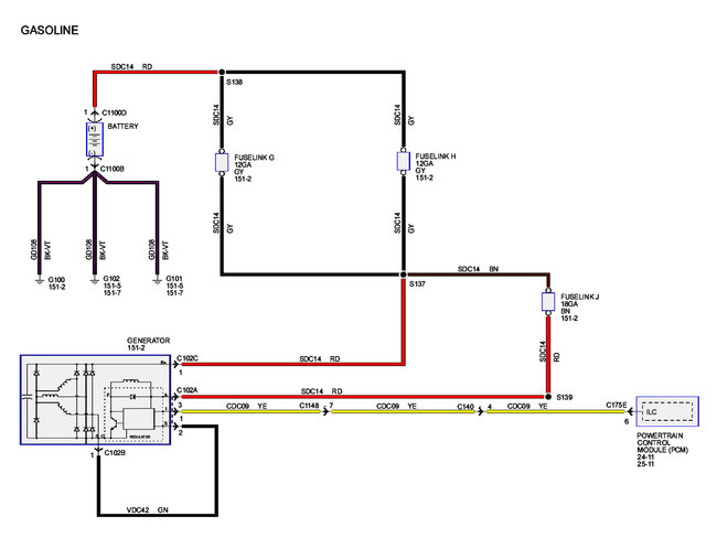
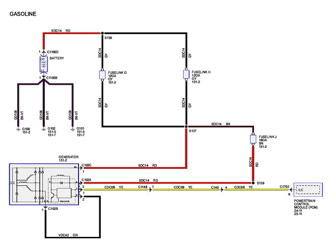
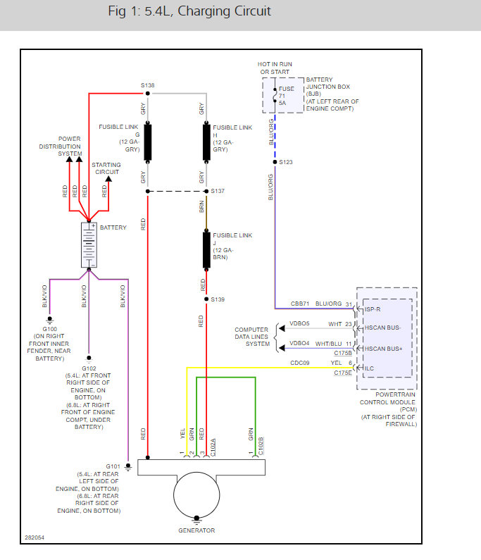
First I would say do not replace the PCM for this concern. I have never replace a PCM for charging concerns in my 27 years at a Ford dealer and I have seen many many many other techs do it without success! Not saying that it isn't possible, just very rare. What brand of alternator are you using also, I have had customers bring me certain aftermarket alternators without success and one time we replace 8 before we got a good one, just saying. And if you are getting voltage across the fusible link then it is good. I've included a diagram of the system for you as well as the connector views for the PCM and the alternator for the monitor circuit so you can verify continuity on that circuit. I warn you once again about that alternator! I can't endorse any particular brand,but all I can say is get the most updated version, who ever makes that I'll leave it up to your imagination. Let us know how it goes!
Aug 15, 2019 at 9:59 AM
Avatar
CHANCESADLER
  • MEMBER
  • 8 POSTS
At harness I have a red (hot) green (no line believe might be ground) solid yellow (no power and about 18 gauge). I put direct 12 volts to pigtail yellow side minimal yellow wire being used and got alternator to charge but indicator still on of course. Pretty sure I've ohmed out all the way to PCM and diagram shows I think issues have to be in between PCM and alternator pigtail and I get no voltage anywhere. So now I need to learn if unplug the middle harness and go to test the right pin , but what am gonna get. Either end, am I voltage off key all the time, voltage all the time, a certain voltage? What am I doing now if its direct 12 volts to pigtail etc.? Going to overlook yellow wire one more time, but last I got nothing at PCM on yellow wire with key on with a meter not unplugged. But ran sitting there maybe couple hours, which I'm trying to run the used motor. Charging hole time and nothing seemed to be getting hot. Then drove half hr as well trying to get miles. So now hoping you can still help and hopefully there's a way of deciding hot yellow do or for (of course it's playing into indicator) but learning the ins and outs on the voltage, because that's what kicks alternator in. Thank you sir and thanks for the help already.
Aug 16, 2019 at 12:18 PM
Avatar
BMDOUBLE
  • CERTIFIED EXPERT
  • 1,139 POSTS
Yes, you should be getting 12 volts on the yellow wire with the engine running. If not you will need to verify the circuit integrity or overlay the circuit. I'll attach the actual pinpoint test from the manual.
Aug 16, 2019 at 1:49 PM
Avatar
CHANCESADLER
  • MEMBER
  • 8 POSTS
I ran an ignition hot to drive truck on highway and think choice was wrong on my picture. Thinking caused trouble codes. Unplugged middle pigtail on PCM and wasn't showing anything until showed 3 volts only at PCM pin for my yellow wire. So now trying to find a better ignition hot, until we throw a PCM at it is seeming to be the case. I think this is a trip personally and was a driving truck around March first and now it has its share of issues.
Sep 1, 2019 at 7:59 AM
Avatar
CHANCESADLER
  • MEMBER
  • 8 POSTS
Also assume yellow wire shouldn't be a constant hot? I'll try to get pictures for the few weird codes it threw! Thank you please sir.
Sep 1, 2019 at 8:04 AM
Avatar
STRAILER
  • CERTIFIED EXPERT
  • 53,854 POSTS
The system looks straight forward. here is a guide to help you test connection and the alternator wiring diagrams so you can see how the system works and what to test. Also make sure the ground from the battery to the frame and engine are good.

https://www.2carpros.com/articles/how-to-check-wiring


If you have a Motorcraft alternator and the wiring and grounds are good here is how to change out the PCM as well.

Check out the diagrams (below). Please let us know what happens.
Sep 3, 2019 at 12:31 PM