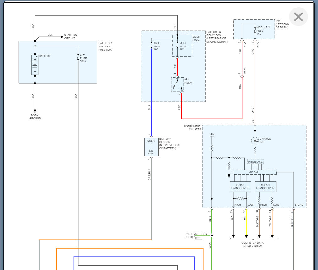
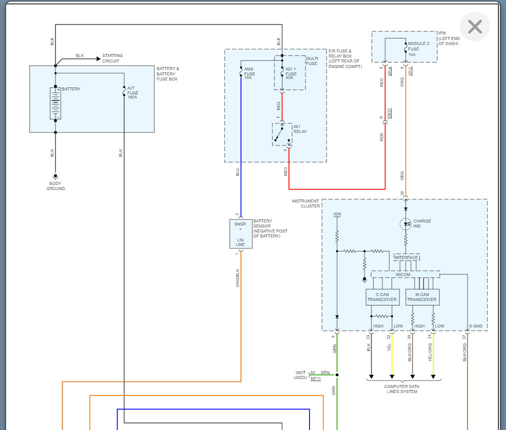
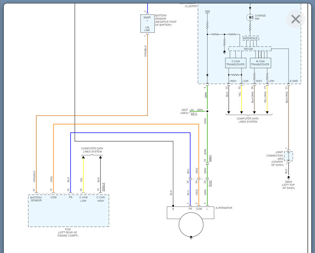
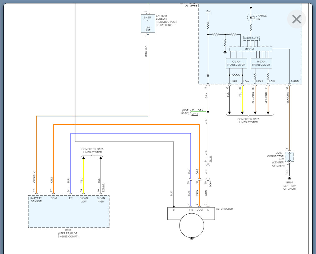
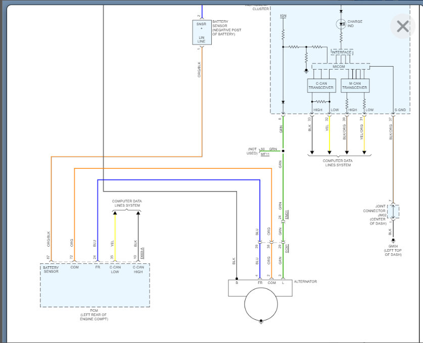
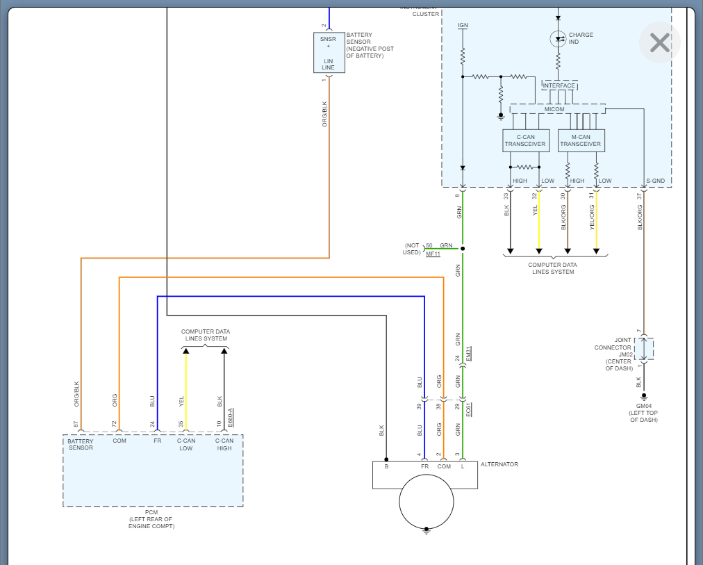
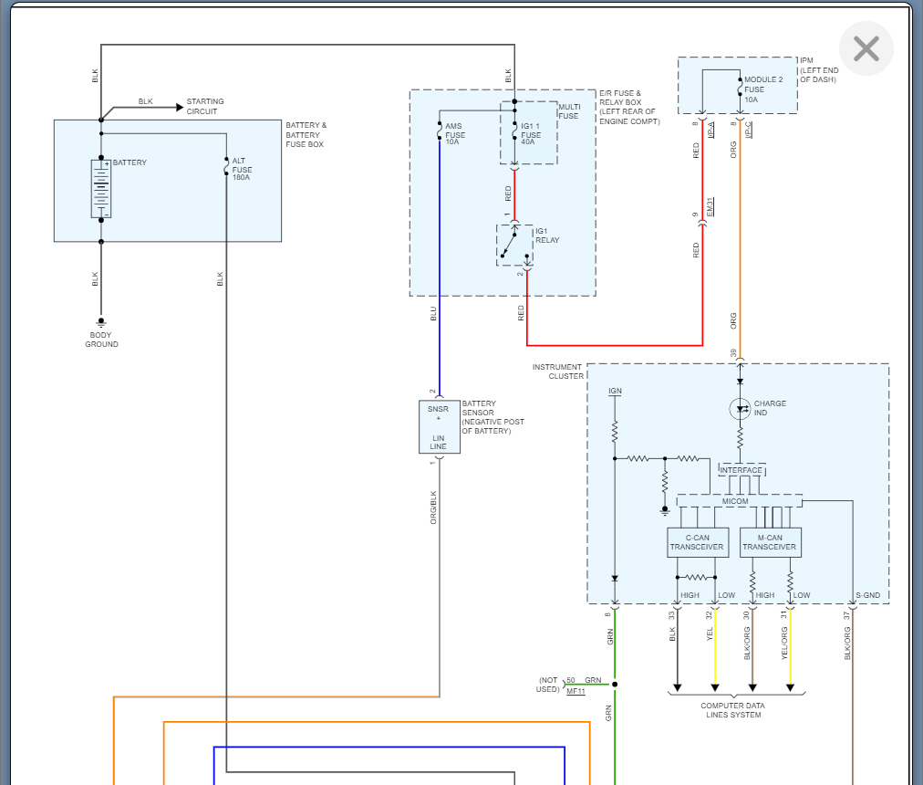
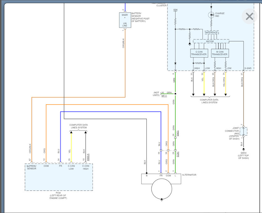
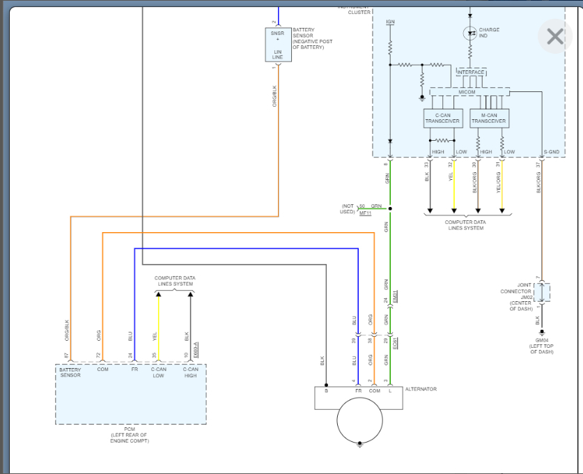
All of a sudden at start up all lights, interior and exterior start flashing. Determined it was alternator and replaced. Battery light stays on. Replaced battery. With a new battery and alternator battery light still on. Voltage is reading 12.2v and dropping.
Jun 1, 2022 at 8:51 AM


