I would suspect that the starter or starter relay is bad. I would start with replacing the relay and then, if the relay did not solve the problem, I would remove the starter and have it tested. AutoZone, Advance Auto, O'reilly, and Pepboys all test starters for free.
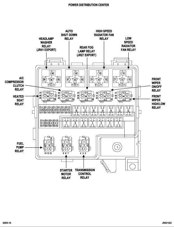
The relay is in the power distribution center (PDC), which is under the hood, behind the battery. The layout of the PDC is attached below. The relay should be available at the parts stores.
If the relay did not solve the problem, then have the starter tested. The process for removing and reinstalling is in the images below. It is fairly simple, actually.
Let us know what you find and we will go from there.
Images (Click to enlarge)
Jan 20, 2018 at 3:29 AM