Battery light turning on and off

2010 MAZDA 6
72,000 MILES • 2.5L • 4 CYL • 2WD • AUTOMATIC
Avatar
PATRICK PAQUETTE
  • MEMBER
  • 1 POST
Had the alternator checked said it was good, but still having charging problems and the belt is tight and okay.
May 16, 2020 at 4:28 PM
Advertisement
Avatar
JACOBANDNICKOLAS
  • CERTIFIED EXPERT
  • 110,175 POSTS
Hi,

Was the alternator checked when the light was on indicating a problem? It could be working on and off.

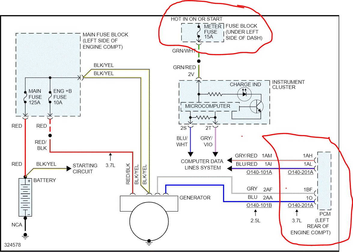
I attached a pic below which is a schematic of the charging system. I circled one fuse I need you to check and make sure it is tight and not corroded. Also, note that two wires run to the power-train control module. Make sure that connection is tight and clean as well.

Also, the regulator is built into the alternator. It could be going bad as well. I attached a pic and circled it for you. See pic 2

If you find that the connections are all in good condition, I need you to try a test at home. All you will need is a volt meter or a multi meter. I want to know what the output of the alternator actually is. Follow this link:

https://www.2carpros.com/articles/how-to-check-a-car-alternator

Do these things and let me know what you find. Also, let me know if the battery is going dead.

Take care,
Joe



May 16, 2020 at 11:06 PM
Avatar
PATRICK PAQUETTE
  • MEMBER
  • 1 POST
Checked v with meter 7 sometimes 8.4 and then sit and watch battery light may go off then showing 14.1. Battery went flat while trying to get home before the car shut off. put it on charge v still coming and going,when battery is gone flat all lights are coming on and car is bucking bad.
May 17, 2020 at 10:25 AM
Advertisement
Avatar
JACOBANDNICKOLAS
  • CERTIFIED EXPERT
  • 110,175 POSTS
Hi,

I have to be honest, I really feel the alternator needs replaced. I suspect it was tested by the parts store when the light was off.

Here is a link that shows in general how one is replaced:

https://www.2carpros.com/articles/how-to-replace-an-alternator

________________________________

Here are the directions specific to your vehicle. The attached pics correlate with the directions.

_______________________________

2010 Mazda 6 L4-2.5L
Removal and Replacement
Vehicle Starting and Charging Charging System Alternator Service and Repair Removal and Replacement
REMOVAL AND REPLACEMENT
GENERATOR REMOVAL/INSTALLATION [L5]

WARNING:
- Remove and install all parts when the engine is cold, otherwise they can cause severe burns or serious injury.

- When the battery cables are connected, touching the vehicle body with generator terminal B will generate sparks. This can cause personal injury, fire, and damage to the electrical components. Always disconnect the negative battery cable before performing the following operation.

CAUTION:
- The generator can be damaged by the heat from the exhaust manifold. Make sure the generator duct is installed securely.

1. Disconnect the negative battery cable.

2. Remove the plug hole plate. See: Access Cover, Engine > Removal and Replacement > Plug Hole Plate Removal/Installation

3. Remove the aerodynamic under cover No.2. See: Splash Guard > Removal and Replacement > Aerodynamic Under Cover No.2 Removal/Installation

4. Remove the drive belt. See: Drive Belt > Removal and Replacement

5. Remove in the order indicated in the table.

6. Install in the reverse order of removal.

pic 1


pic 2


Generator Duct Removal Note

1. Remove the generator duct from above the engine compartment.

Generator Removal Note

1. Remove the generator from above the engine compartment.


pic 3



Generator Installation Note

1. Tighten bolt A temporarily.

2. Tighten bolt B, C to the specified tightening torque.

3. Tighten bolt A to the specified tightening torque.

__________________________

Let me know if this helps or if you have other questions.

Joe
May 17, 2020 at 6:42 PM
Avatar
KASEKENNY
  • CERTIFIED EXPERT
  • 18,907 POSTS
How did you have the alternator checked? Was it load tested? If so then we need to load test the battery as well.

https://www.2carpros.com/articles/car-battery-load-test

https://www.2carpros.com/articles/how-to-check-a-car-alternator

This light is just telling you that the charging or overall state of charge is below threshold. This could be the alternator, battery, loose belt (as you have suspected) or the voltage regulator is failing not allowing the alternator to charge properly. This is why it is important to be sure it is tested properly. The voltage regulator is most likely the cause of this.

Let me know and we can go from there. Thanks
May 18, 2020 at 1:48 PM (Merged)
Avatar
PATRICK PAQUETTE
  • MEMBER
  • 1 POST
Now when you put your hand down where the battery cable goes to the alternator and where the plug goes into the alternator wiggle it and it begins to charge but don't last to long.
May 20, 2020 at 10:26 AM
Avatar
JACOBANDNICKOLAS
  • CERTIFIED EXPERT
  • 110,175 POSTS
If it works when you move the wires, either there is a bad connection when it connects or you are moving something in the alternator. Also, check the wiring to the alternator. I have seen the wiring under the insulation break. See if it feel like there are any soft spots. Also, make sure the connectors are clean and tight, and free of corrosion.

Let me know.
Joe
May 20, 2020 at 8:03 PM