Charging issue, where is the fusible link located?

2005 KIA OPTIMA
112,000 MILES • 4 CYL • 2WD • AUTOMATIC
Avatar
BROWNG123
  • MEMBER
  • 1 POST
I replaced the alternator, the alternator fuse and battery, is there another alternator fuse and where is the fusible link located? Please no diagrams, just explain. Thank you
Mar 25, 2022 at 6:52 AM
Advertisement
Avatar
JACOBANDNICKOLAS
  • CERTIFIED EXPERT
  • 110,175 POSTS
Hi,

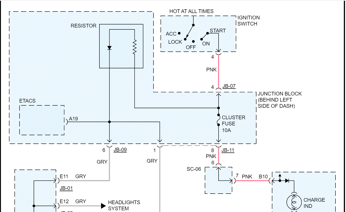
I attached the wiring schematic for this vehicle's charging system. There is a fusible link between the B terminal on the alternator (white wire) and the battery. Check to see if there is continuity at that wire.

Here is a link you may find helpful:

https://www.2carpros.com/articles/how-to-check-wiring

Let me know what you find or if you have other questions.

Take care,

Joe

See pics below.
Mar 25, 2022 at 3:01 PM