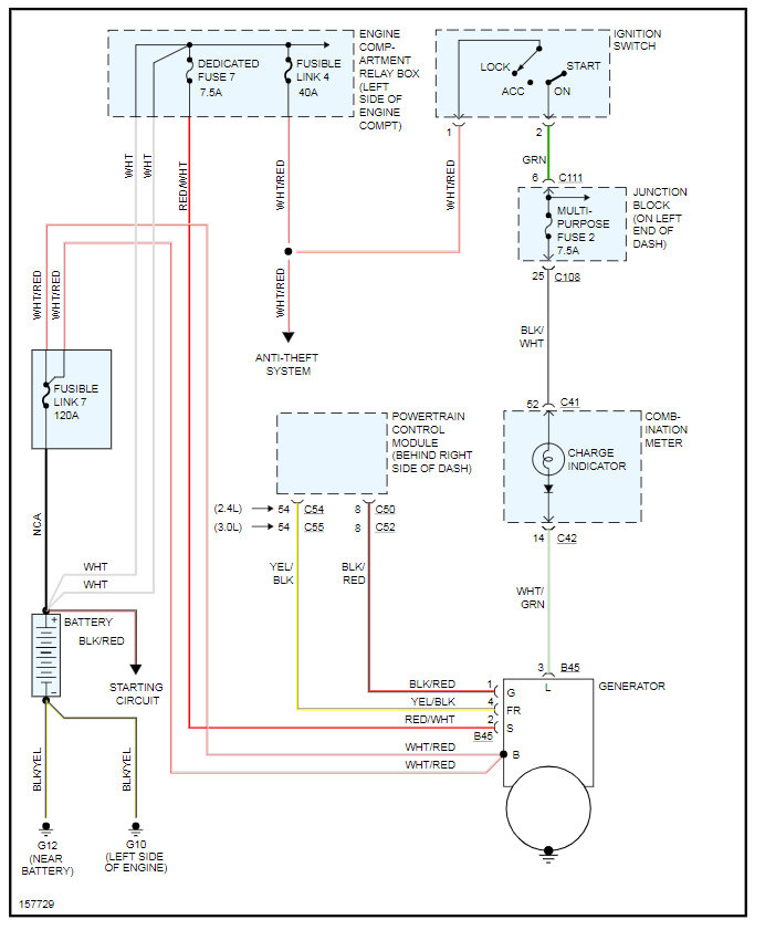
Where are you checking this voltage? I assume you are checking it across the battery when the engine is running? If so, I suspect you have resistance in the wiring which is causing the loss of voltage.
Another possible cause is to make sure the belt is tight and not slipping.
Lastly I attached a test that we need to run through which is a voltage drop test that will tell us if we have an issue between the battery and generator.
Let me know if you have questions and we can go from there. Thanks.
Images (Click to enlarge)
Aug 11, 2020 at 3:46 PM