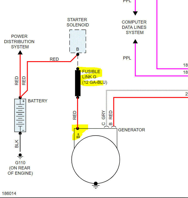
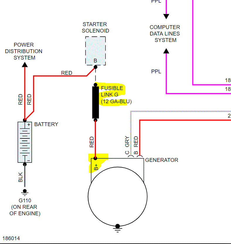
It's not charging I bought a new battery and that wasn't the problem. I've changed alternator 3 times but they were used and it's still not charging.
Nov 21, 2020 at 9:54 PM
