Alternator not charging

2005 CHEVROLET COBALT
159,000 MILES • 2.2L • 4 CYL • 2WD • AUTOMATIC
Avatar
IMAPAYNE
  • MEMBER
  • 1 POST
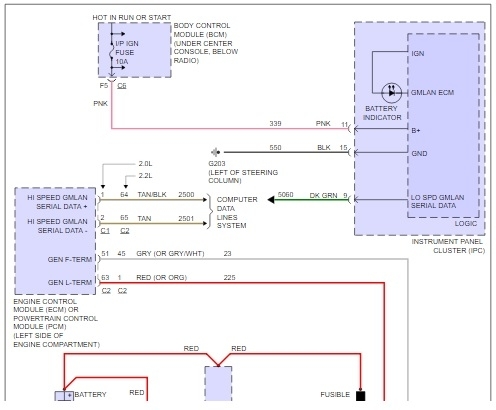
Alternator is not charging and cannot find good detailed diagram.
Sep 13, 2018 at 11:25 AM
Advertisement
Avatar
CJ MEDEVAC
  • CERTIFIED EXPERT
  • 11,004 POSTS
The first diagram stacks on the other (It took two screenshots to get it from "Prodemand"). I insured there was overlap so nothing is lost.

Prodemand diagrams show the locations of items.

I would check out the fusible link!

Here other information that might help too. It is from "Repair Guides" at the top right of our pages.

https://www.2carpros.com/articles/how-to-check-a-car-alternator

Let us know what you find.

The Medic

Sep 13, 2018 at 6:48 PM