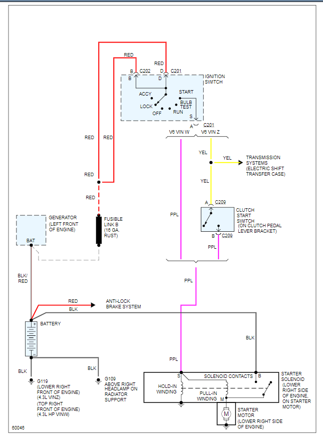
Everything is hooked up according to diagrams. Main power is live. Nothing cranks, nothing turns, no fuel pump or lights. Checked the basic fuses cannot find the short nor disconnect.
Mar 15, 2020 at 12:12 PM
