changed knock sensor

2002 PONTIAC SUNFIRE
250 MILES • 2.2L • 4 CYL • 2WD • MANUAL
Avatar
MARC ROCHON
  • MEMBER
  • 1 POST
I changed the knock sensor since the machine gave to me the problem: PCM Knock sensor circuit, but after changed it the car doesn't start again.

What can I do?
What can I check?
Aug 21, 2019 at 6:36 PM
Advertisement
Avatar
JACOBANDNICKOLAS
  • CERTIFIED EXPERT
  • 110,175 POSTS
Welcome to 2CarPros.

The first thing I'm going to provide is a link the describes the most common causes for a crank no start condition. Take a look through it first.

https://www.2carpros.com/articles/car-cranks-but-wont-start

Next are the directions for replacing the sensor. Take a look through them and confirm you did what is described. The attached pictures correlate with the directions.

_____________________________________________

2002 Pontiac Sunfire L4-2.2L VIN 4

Vehicle Powertrain Management Sensors and Switches - Powertrain Management Sensors and Switches - Computers and Control Systems Knock Sensor Service and Repair Procedures
REMOVAL PROCEDURE


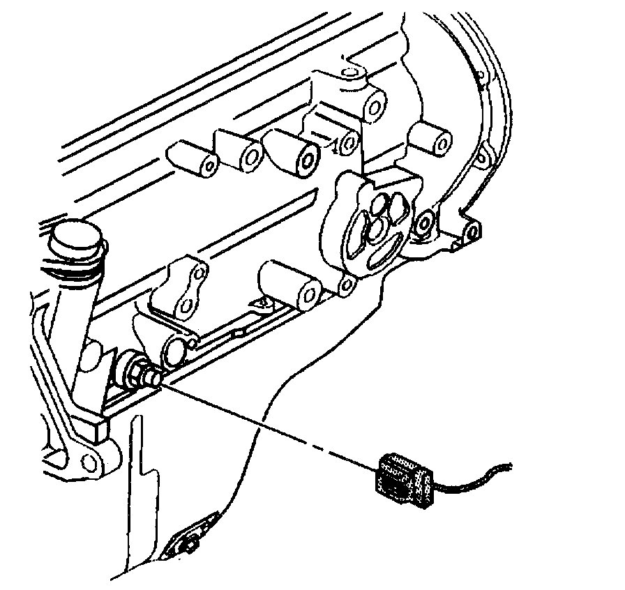
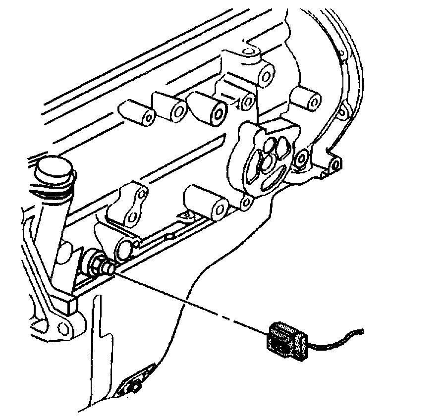
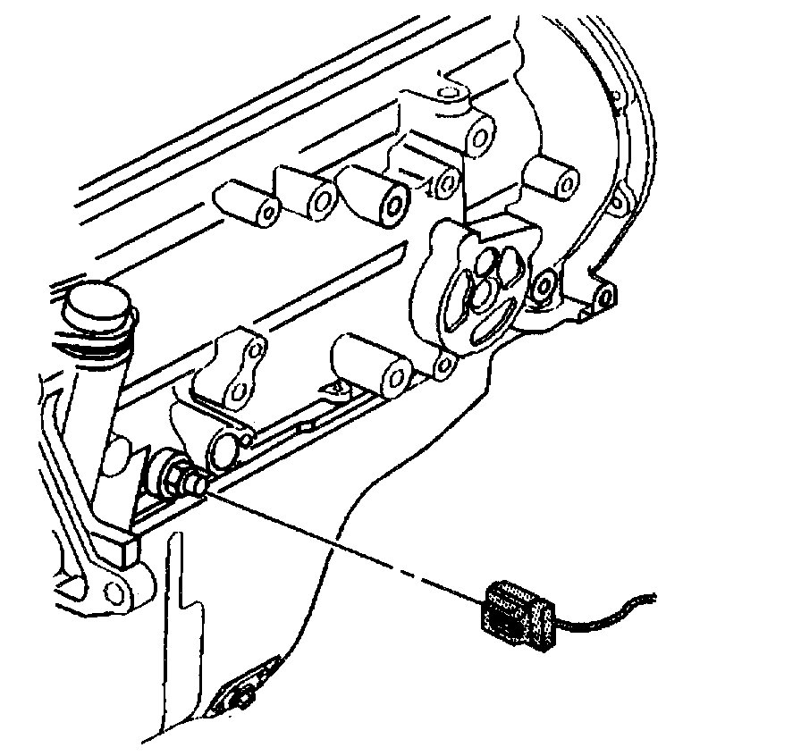
pic 1

1. Remove the air cleaner outlet resonator.
2. Remove the knock sensor wiring harness connector from the knock sensor.


pic 2

3. Remove the knock sensor from the engine block.

INSTALLATION PROCEDURE

NOTE: Refer to Fastener Notice in Service Precautions.


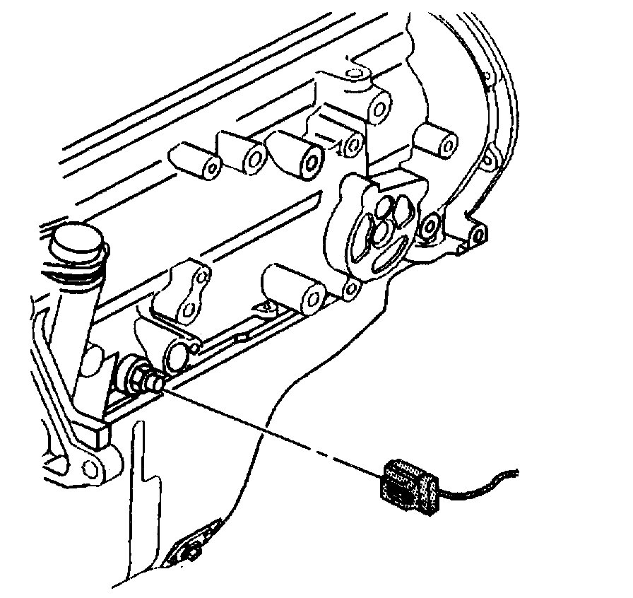
pic 3

1. After cleaning the threads thoroughly, install the knock sensor into the engine block.

Tighten
Tighten the knock sensor to 19 N.m (14 lb ft).


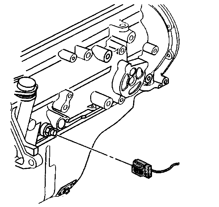
pic 4

2. Install the knock sensor wiring harness connector to the knock sensor.
3. Install the air cleaner outlet resonator.

_________________________________

If the directions were followed, then I need you to check for ignition spark. Here is a link that explains how that is done:

https://www.2carpros.com/articles/how-to-test-an-ignition-system

Here are a few links you may find helpful when testing for spark:

https://www.2carpros.com/articles/how-to-use-a-test-light-circuit-tester

https://www.2carpros.com/articles/how-to-use-a-voltmeter

https://www.2carpros.com/articles/how-to-check-wiring

Let me know what you find or if you have other questions.

Take care,
Joe
Aug 21, 2019 at 7:39 PM