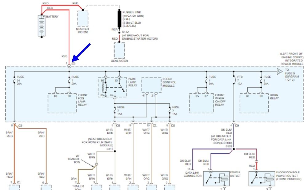
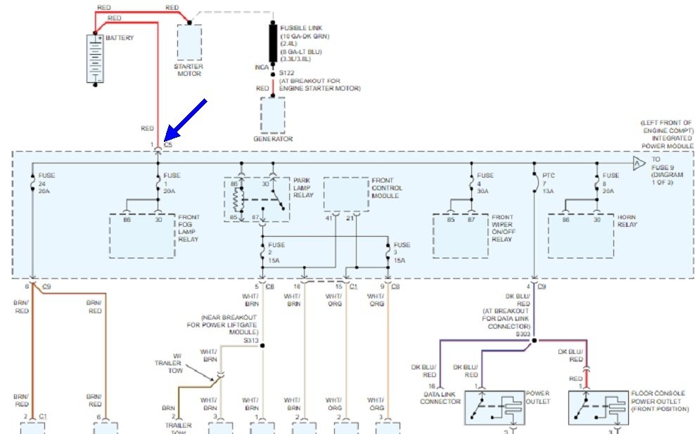
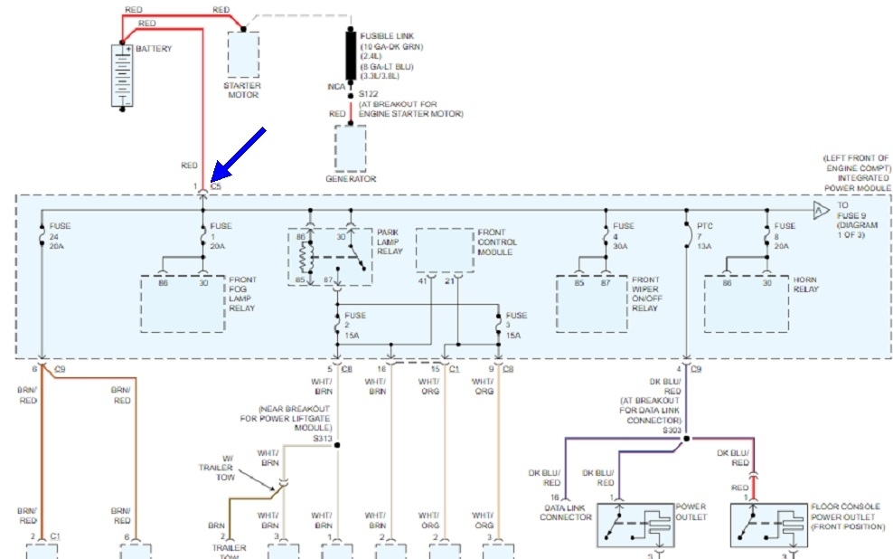
After changing battery terminals. (Yes they were put back on correct terminals positive to positive negative to negative) Turned key to start and heard 1 click and lost all power. Looked in fuse box and found 2- 20 amp fuses that are labeled 12v out ignition blown. Disconnected battery, replaced both fuses and reconnected battery and still no power. Should I be looking for a fusible link? The only thing I did different when changing terminals is The positive side has 2 red power wires that were connected to 2 different places on old terminal. When reconnecting to new terminal, I connected both power wires in the same hole on new terminal. Can you please help me?
Jan 11, 2020 at 5:11 AM
