Change out with another OEM radio unit

2001 CHRYSLER TOWN AND COUNTRY
100,000 MILES • 3.8L • 6 CYL • 2WD • AUTOMATIC
Avatar
RICH LEE
  • MEMBER
  • 1 POST
My P56038518 AM/FM with cassette and four channel CD external changer does not play. I cannot make any other AM/FM radio play. The units I have tried are direct plug replacements; some with the separate small white plug with white/purple wire and some without. I have never had sound from any speaker and all the while have had radio displays. I have not found any amplifier and no fuses are blown or have been.

Thank you
Oct 30, 2017 at 4:06 PM
Advertisement
Avatar
STEVE W.
  • CERTIFIED EXPERT
  • 15,113 POSTS
So they all light up and you can tune channels but no sound from any speakers?

Sounds like the amplifiers at each speaker module are not getting power.
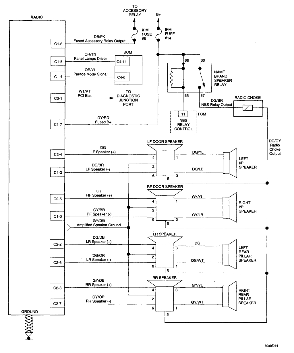
First check the speaker relay in the intelligent power module (under-hood fuse box) if it is clicking you can swap it to test if it is actually passing power. Next locate the radio choke on the junction block near the BCM, Test it for continuity (I test it by simply jumping a wire across it).
If those both test good then it could be a bad ground as the speaker amps all ground to the same ground at the radio end. That is the gray wire with an orange stripe. However, I am doubtful that every radio has a bad ground. More likely is a bad power feed to the amps.
Oct 30, 2017 at 6:11 PM
Avatar
CARADIODOC
  • CERTIFIED EXPERT
  • 34,306 POSTS
Thank you for including the radio's model number. That is one of only a few that have a one hundred percent failure rate and can not be repaired by anyone other than the authorized repair shops that have the specialized equipment to burn in the correct software. What fails is the "reset" circuit for the microprocessor. Its job is to set the millions of transistors in it to their starting point when power is applied for the first time, meaning right after the battery was disconnected and reconnected. That process takes just a fraction of a second, then that circuit will not be needed again until the next time the battery is disconnected. That means the circuit could have failed years ago, but the radio will continue to work fine until your mechanic needs to disconnect the battery for some other service. When he is done, he will get the undeserved blame for causing the radio's failure.

There is one radio model built by Mitsubishi that is a direct replacement for your model. It mounts the same, looks the same, runs the same four disc CD changer, and has all the same plugs. The only difference, other than it weighs three times as much, is it has one extra switch for "Scan". I just sold one to replace your model. These were highly-sought-after by used car dealers to replace the failed radios in their cars. What is real surprising is that yours took this long to fail. Most of these go out within the first five years when the battery needed to be replaced.

Any other round-face radio with the two separate plugs should work in your van. If you find an Infinity model, those were used with a remote amplifier or little amps on some of the speakers. Unlike with GM and Ford radios that have to be paired with the correct amp, all Chrysler radios will work directly with or without an amplifier. When an amp is used, it does not change the volume or power. It is strictly for tone conditioning for the shape of the body. Infinity models put out less bass than normal, then it is made up in the amplifier. An Infinity model in your van will need to have the bass control turned up all the way to sound right.

The most common cause of all four channels being dead is the twelve volt memory circuit is out. Some radio models will be completely out when that power source is missing. Some will work properly, but after being turned off, the next time the clock will go back to 12:00 and the station you were on will be gone. Some radios will have no sound, and some will. There is no separate fuse for that memory circuit. It is always tied in with some other circuit that is always live. That could be the brake light circuit, the horn circuit, the cigarette lighter, or in your case, the interior lights. If your interior lights are not working, check that fuse.

Your radio model was not used with an amp, but if it is not the original radio, there could be an amp in the van that was used with the original radio. Most commonly the minivans had amps built onto some of the speakers. Those speakers will have four wires in their plugs. Some of the speakers didn't use an amp. If the twelve volt power source for the amps is out, those speakers without amps will still work. Also, even the amplified speakers will produce some sound because they have built-in tweeters that don not use the amplifiers.

There were some models that did have a single, large amplifier that ran all of the speakers. If the twelve volt power source is missing for that amp, all the speakers will not work. The replacement radio needs to have the terminal in one of the connectors that turns on a power antenna, (when used), and a remote amp. Look for the presence of that terminal in the black plug. It will be on the end away from the key way. That circuit turns on an amplifier relay, or it can be the turn-on signal for a remote amp directly. Either way, there will be a separate fuse labeled "amp".

A less-common cause of no sound is frayed and shorted wires between the door hinges. Most of these radios have two output ICs, one for the left side and one for the right. There are a few models that split them differently with one IC for the front and one for the rear. Most of the radios check for a short when they turn on, and if one is detected, the output circuits will not be turned on, to protect those ICs. Often the short between those wires will clear up momentarily when the door is moved toward open or closed, but the radio has to be turned off, then back on to reset the protection circuit. If the intermittent short occurs after the radio is operating, the protection circuit has taken itself out of the picture, so damage can occur to the ICs. They put six volts onto every speaker wire, and shorting that to ground is what damages the IC. To identify if that happened, try running the radio in a different vehicle or take it to a larger salvage yard. Many of them have radio test benches. Most of those testers only test for left and right channel operation, not separately for front and rear, but at least you'll know if half of the output circuit is okay.

One last thing to consider is there is a terminal in the gray plug for a muting circuit. These were first used when Chrysler introduced the talking instrument clusters in the late 1980's. It can be tied in to a phone system too as well as some aftermarket products like GPS units. That terminal is right next to the key way in the gray plug. If your radio does not have a terminal in that spot, muting is not the cause of the problem.
Oct 30, 2017 at 6:54 PM
Advertisement