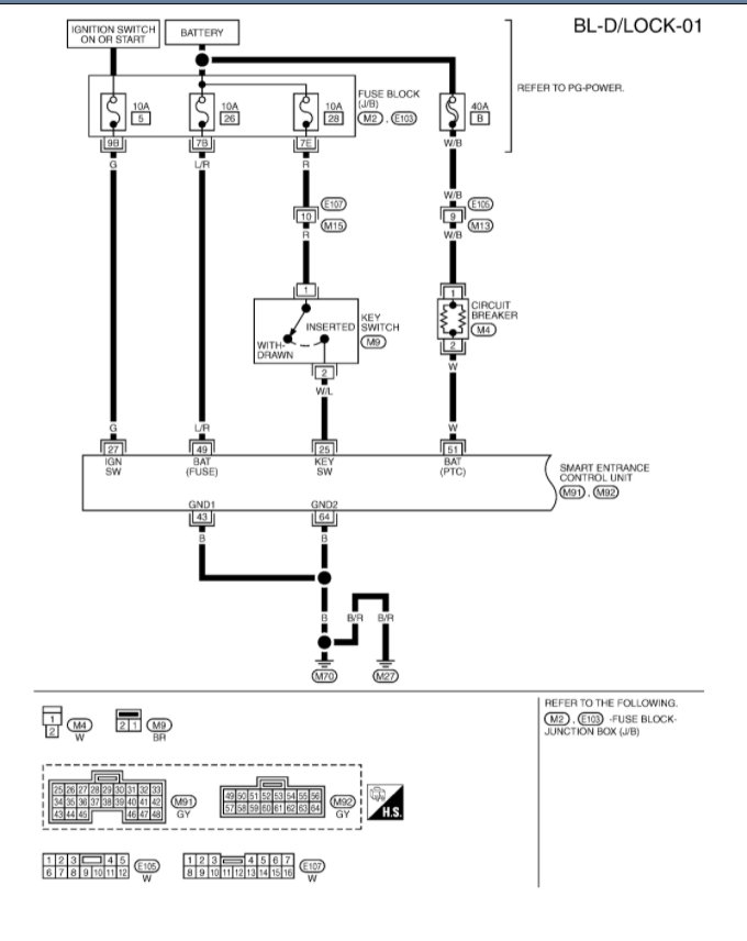
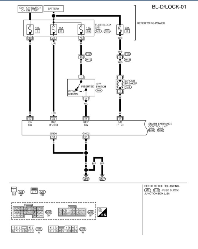
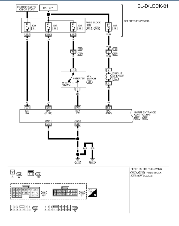
Hi, i installed a new dashboard clock onto my vehicle listed above xtrailt30. However, after installation discovered that central locking isn't working. The hazards respond when i press the remote but does do not lock. Put back old dash to confirm and with old dash clock it worked. What can i do?
Nov 18, 2021 at 9:44 AM



