Central locking not working

2006 NISSAN X-TRAIL
210,000 MILES
Avatar
MICHEAL O GRADY
  • MEMBER
  • 1 POST
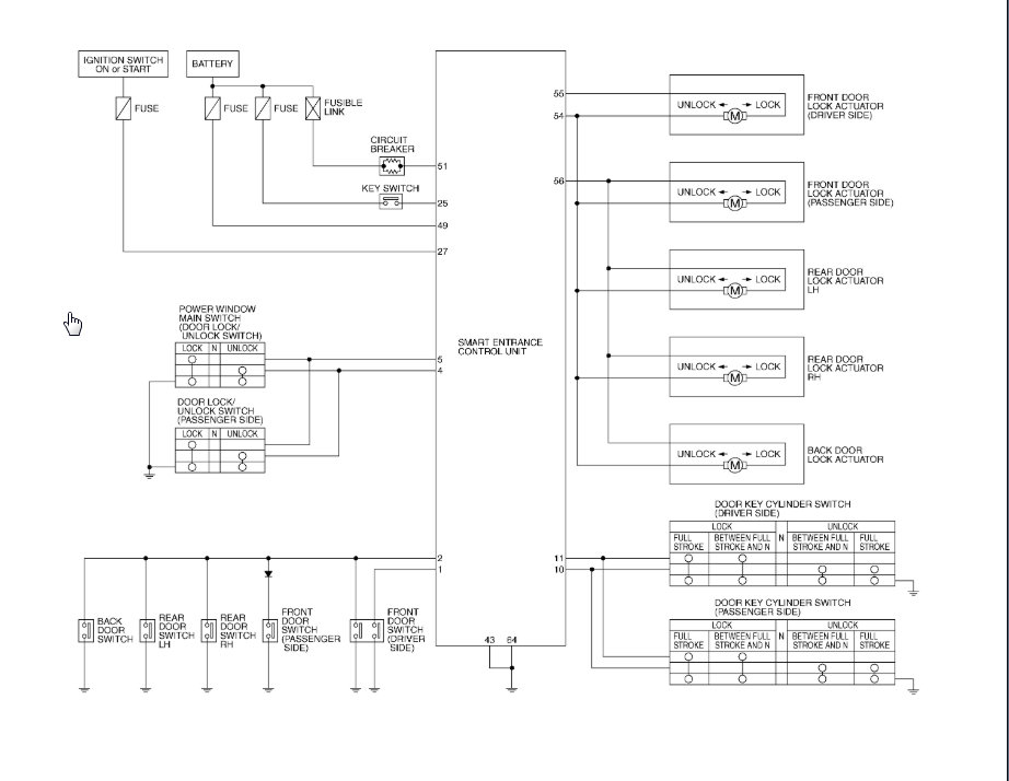
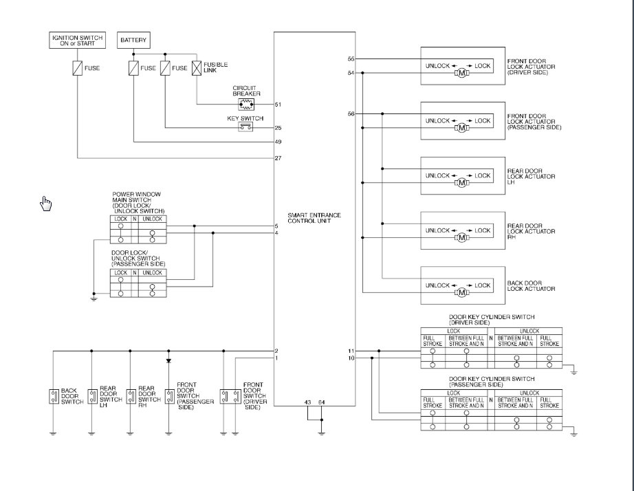
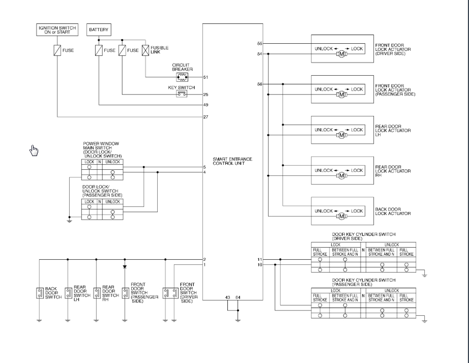
So i changed the battery in key fob and fuses 28,20 and 5; all locks still don't work. When i press the central locking button in the car or on the fob you can hear a noise coming from some where in the car not sure i think its the relay switch.
Aug 15, 2020 at 9:06 AM
Advertisement
Avatar
KASEKENNY
  • CERTIFIED EXPERT
  • 18,907 POSTS
Can you try to get a recording of the noise that you are hearing and then try to figure out where in the vehicle it is coming from? The reason is, if you look at the wiring diagram for the locking system, it doesn't have a relay. It has fuses and the control unit access as the relay. So if you are hearing a noise that sounds like a relay that may just be a lock actuator.

So let's see if you can get a recording so we can hear this noise and go from there. Thanks
Aug 15, 2020 at 10:24 AM