Doors lock and unlock on their own

2002 HONDA ACCORD
34,000 MILES • 2.0L • 4 CYL • 2WD • AUTOMATIC
Avatar
KBL
  • MEMBER
  • 2 POSTS
Hi.

The door(s) unlock/lock for no reason when ever they please.
This can happen when driving or parked.
If the car is locked with alarm switched on then when the door(s) unlock, the alarm sounds for a few minutes and then the cycle repeats until canceled.
Please can you suggest anything?
Thanks, KBL
Aug 9, 2018 at 11:58 AM
Advertisement
Avatar
STRAILER
  • CERTIFIED EXPERT
  • 53,854 POSTS
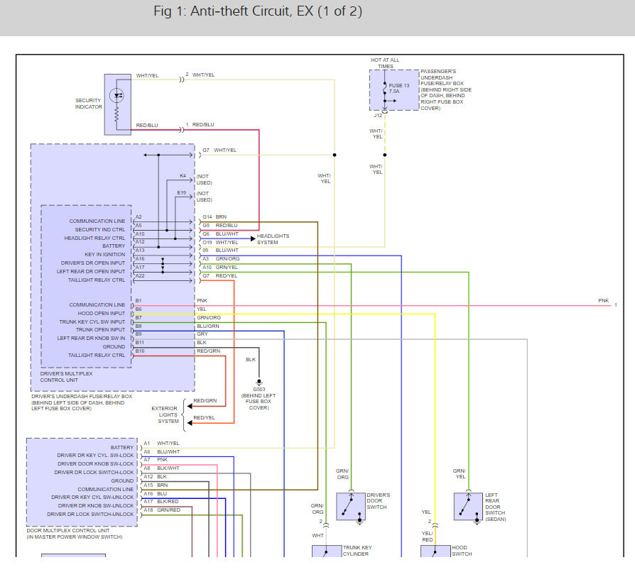
This sounds like one of two things first the drivers side door latch has a micro switch inside of it which is not working right or the drivers multiplex unit is out. Here is a wiring diagrams so you can see how the system works. I would try to start the car with the windows down and then try pulling and pushing on the closed drivers drivers door to see if you can get it to act up which will tell you the latch switch is bad. It not an aftermarket alarm correct?

Please run this test and get back to me check out the diagrams below. Cheers, Ken
Aug 11, 2018 at 12:04 PM
Avatar
KBL
  • MEMBER
  • 2 POSTS
Hi Ken and many thanks for your reply.
The diagrams are fantastic and an absolute godsend. (I just need to interpret them for my UK version Accord).
You are assumption is correct, my alarm is original Honda.
I have tried what you said with the drivers window down, door closed, engine running, but there's no decernable movement in the door to perhaps trigger the fault. Would you suggest I check the micro switch itself ? Is this inside the white plastic assembly next to the door catch? Are there any 'be-care-fulls?

Your other kind suggestion is that it could be the drivers multiplex unit is out. Sorry about this, but does 'out' mean U/S or, out because of a bad connection or something? Is this the unit which your diagram shows is behind the fuse box under the dash?

Also, another question please: what is the white plastic box held by a bracket inside each of the two front doors? They each have a connector at their base and a cable harness coming from them?
Many thanks again Ken.
Cheers KBL
Aug 21, 2018 at 11:45 AM
Advertisement
Avatar
STRAILER
  • CERTIFIED EXPERT
  • 53,854 POSTS
Hey,

The micro switch will be hard to check because you would need to have the door closed and then move it to see if the signal fluctuates. Next, I am not sure what the white box is you are talking about but if you send me a picture I can see what it is. You might try unplugging the latch just to see if the lock and unlock stops, if so then you found the problem.

Please let us know what happens.

Cheers, Ken
Aug 22, 2018 at 9:46 AM