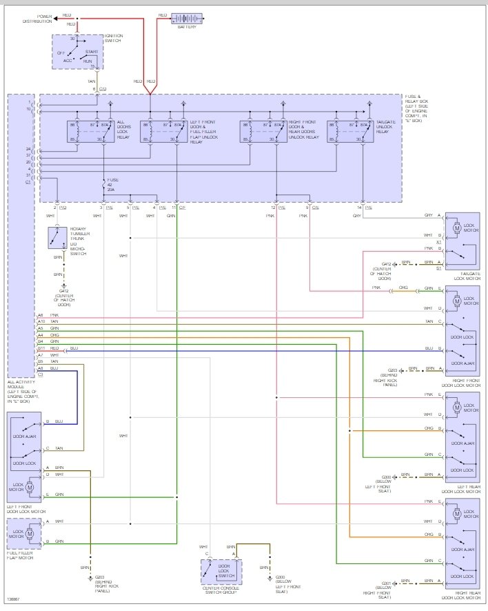
Central lock system

1999 MERCEDES BENZ ML320
12,435 MILES
Avatar
CHARLES PIUSON
  • MEMBER
  • 2 POSTS
When I insert the key in the driver's door key lock provision on the door, it locks only one door and that is the driver's door and the other doors are not locked, but when I use the central button in the car it locks up all the doors including the driver's door. Please what might be the problem with the system and if possible can you explain with some pictures please.
May 10, 2016 at 11:33 PM
Advertisement
Avatar
STRAILER
  • CERTIFIED EXPERT
  • 53,855 POSTS
Hey CHARLES,

It sounds like you have one of two problems, that could be wrong, first the lock assembly on the drivers door has one bad because the electrical contacts or not working, or the lock module has gone bad.

Try to test the lock first, also check all fuses.

Please let me know what you find

Best, Ken

May 17, 2016 at 9:29 AM