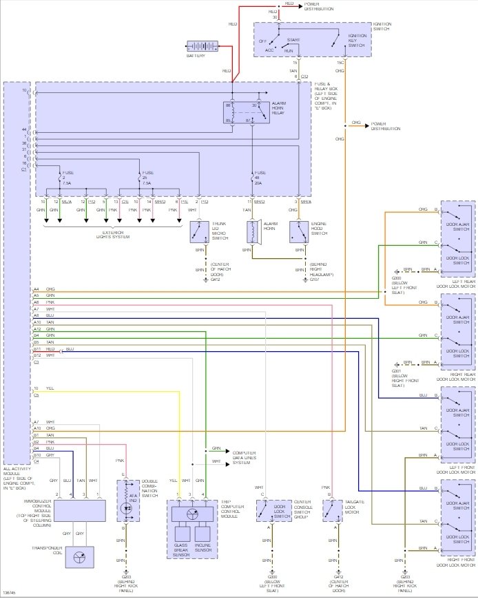
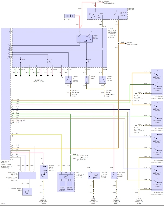
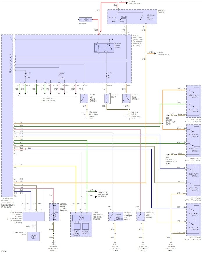
When I lock from the driver's door of ml 320 Mercedes Benz the other doors do not lock and yet if I press the central lock button in the car all doors lock up together what might be the problem with the central lock system of the car. How is a central system of that car controlled. How many relays does it have and where are they located, how are their connected to one key lock at the driver' s door?
May 10, 2016 at 3:06 PM
