Center High Mount Brake Light turns on with the headlights running light?

2004 HYUNDAI SONATA
120,000 MILES • 4 CYL • 2WD • AUTOMATIC
Avatar
FERAL_CAT_LOVER
  • MEMBER
  • 2 POSTS
For some reason, the center high Mount Brake light comes in with the headlights running light. Therefore, the ship won't issue a lamp certificate until it's repaired. All the other lamps work. I understand there is a brake pedal switch. Is this the problem or is it something else? Thank you
Feb 2, 2023 at 9:34 AM
Advertisement
Avatar
STRAILER
  • CERTIFIED EXPERT
  • 53,855 POSTS
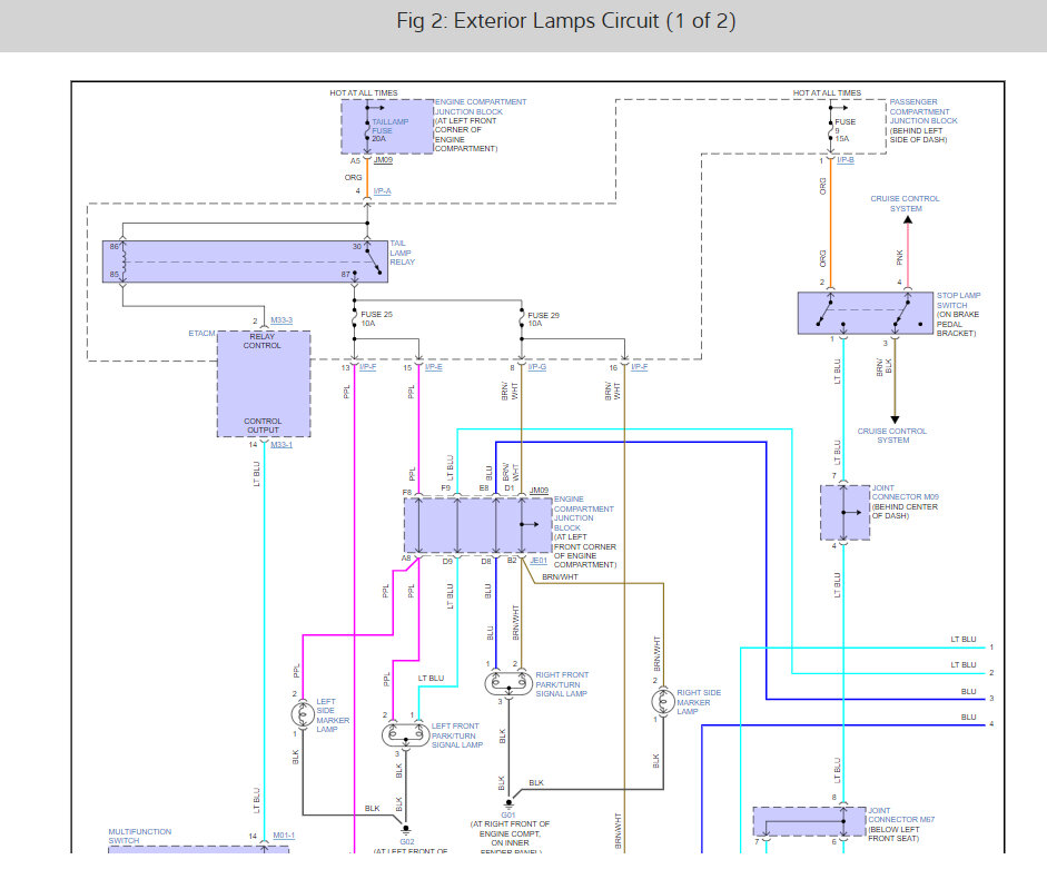
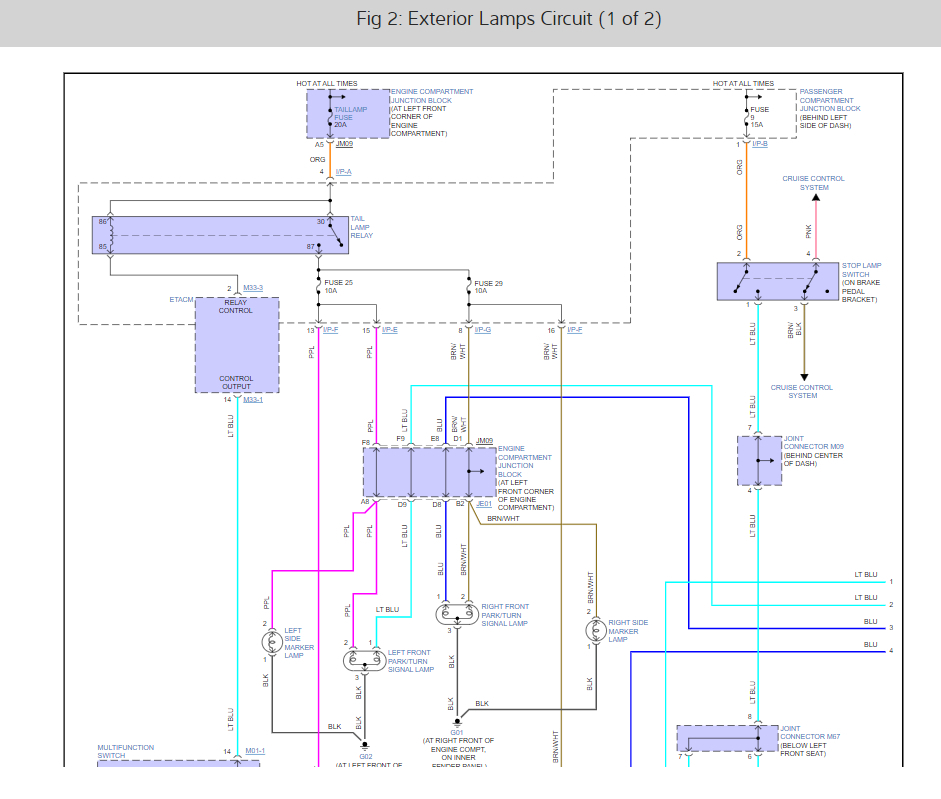
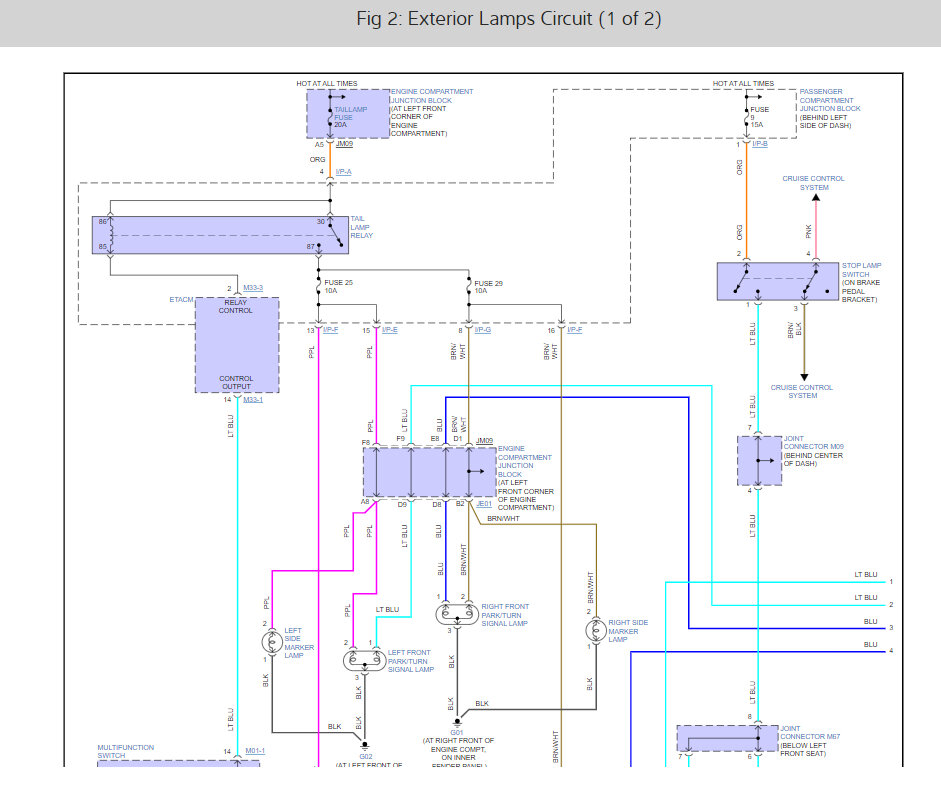
Yep, so I would remove the rear taillights and look for burnt connector or wiring. The running light system must be back feeding into the brake light. Check out the wiring diagrams below because there is nothing that intersects these circuits except the bulbs. Check out the images (below). Please let us know what happens.
Feb 2, 2023 at 6:07 PM
Avatar
FERAL_CAT_LOVER
  • MEMBER
  • 2 POSTS
Thank you. He finally listened to me and found the looked and found the wiring had been switched. Problem resolved.
Mar 19, 2023 at 7:21 AM
Advertisement
Avatar
STRAILER
  • CERTIFIED EXPERT
  • 53,855 POSTS
Glad you could get it fixed, thanks for letting us know. Please use 2CarPros anytime we are here to help.
Mar 19, 2023 at 12:14 PM