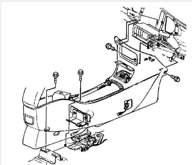
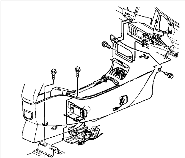
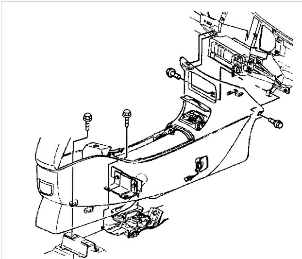
I'm looking at buying this car and would like to convert it to a front bench seat car if possible. To do so I need to move the console between the current front seats and move the floor shifter. Basically, I need to see as much imaging as possible so I can know what's actually down there before buying the thing.
Also, on a related note, if a car has been overheated to the point of shutting off and then not starting until it cooled for awhile, it likely has a blown head gasket now. Correct?
Also, on a related note, if a car has been overheated to the point of shutting off and then not starting until it cooled for awhile, it likely has a blown head gasket now. Correct?
Sep 7, 2025 at 11:32 AM


