The car loses power when it drives pass 120 km/s speed

2012 FORD FOCUS
166,000 MILES • 2.0L • 2WD • AUTOMATIC
Avatar
ZULUBAFANA
  • MEMBER
  • 3 POSTS
Now the car it doesn't start and it doesn't crank. It make a click noise when you start it. Please help, i am from South Africa, Pretoria
Nov 22, 2019 at 7:05 AM
Advertisement
Avatar
SCGRANTURISMO
  • CERTIFIED EXPERT
  • 4,897 POSTS
Hello,

This sounds like you could have a problem with a dead battery. Can you get a voltage reading across your vehicle's battery terminals using a Digital Multi-meter [DMM] for me?If you are unsure how to use a DMM, here is a guide below explaining how a DMM is used:

https://www.2carpros.com/articles/how-to-use-a-voltmeter

Please get back to us with what you are able to find out and we can go from there.

Thanks,
Alex
2CarPros
Nov 22, 2019 at 8:32 AM
Avatar
ZULUBAFANA
  • MEMBER
  • 3 POSTS
Thank you Sir, the voltage reads 12.42. Electrical function still works properly.
Nov 23, 2019 at 10:56 PM
Advertisement
Avatar
SCGRANTURISMO
  • CERTIFIED EXPERT
  • 4,897 POSTS
Hello again,

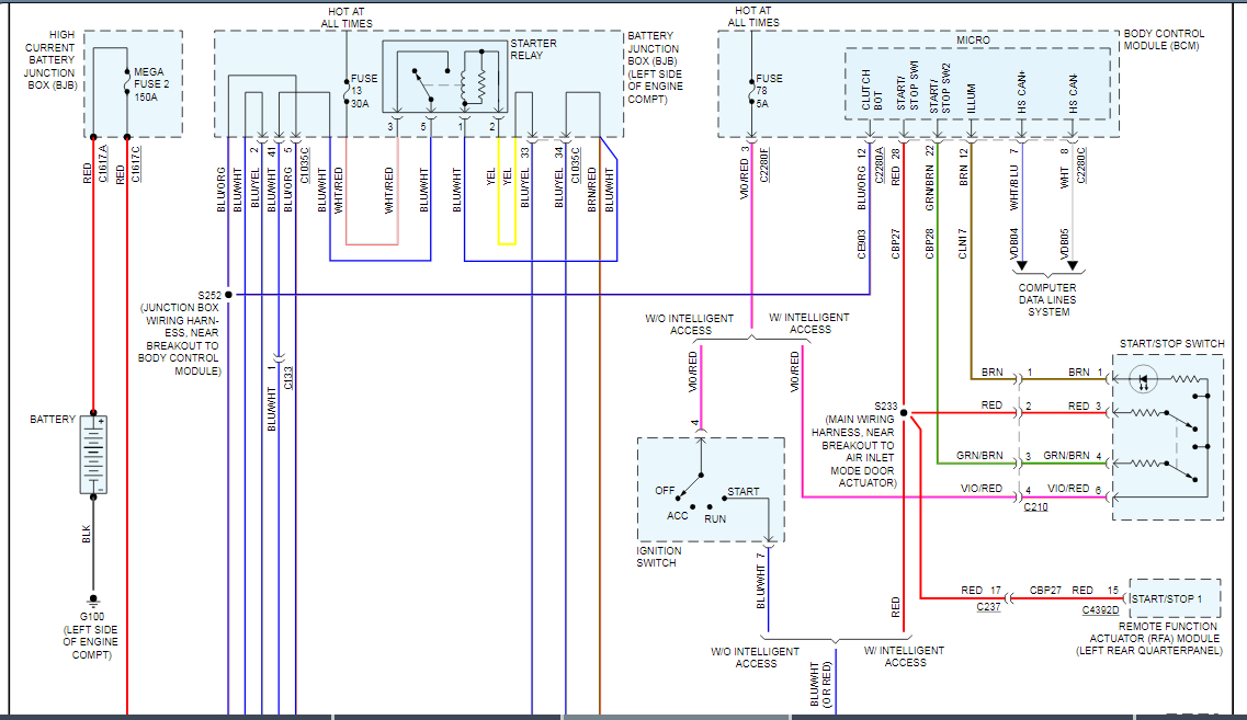
Okay, so this could possibly be a problem with your vehicle's starter relay, which is located in the Battery Junction Box [BJB], by your vehicle's battery. In the diagrams down below I have included a wiring diagram of the starting circuit in your vehicle as well as the diagram and callout of the BJB for your vehicle. Here is a link down below for you to go to explaining how to test a relay:

https://www.2carpros.com/articles/how-to-check-an-electrical-relay-and-wiring-control-circuit

Please go through these guides and get back to us with what you are able to find out.

Thanks,
Alex
2CarPros
Nov 24, 2019 at 8:33 PM
Avatar
ZULUBAFANA
  • MEMBER
  • 3 POSTS
Thank you for all the help I got from you all. Starter was the problem and now the car is starting perfectly. Thank you.
Dec 4, 2019 at 8:51 AM