No cargo light and mirror lights?

2015 CHEVROLET SILVERADO
142,000 MILES • 6.0L • V8 • 4WD • AUTOMATIC
Avatar
ME10000
  • MEMBER
  • 6 POSTS
Have no power at the cargo light switch and no power at the cargo light fuse on both sides of fuse mirror light don't work either all the other lights work.
Feb 13, 2023 at 5:46 PM
Advertisement
Avatar
JACOBANDNICKOLAS
  • CERTIFIED EXPERT
  • 110,175 POSTS
Hi,

I attached a pic below showing the power to the interior, cargo lamp fuse comes from fuse 8 in the battery fuse box under the hood. Have you checked it? Also, the cargo lamp has a relay. Have you checked it as well as the cargo lamp fuse, fuse 10, in the vehicle interior fuse box?

Let me know.

Take care,

Joe

See pics below.
Feb 13, 2023 at 6:26 PM
Avatar
ME10000
  • MEMBER
  • 6 POSTS
Position 10 fuse on right side has no power fuse good and Fuse in position 8 under hood has power. Where is the relay located? thank you Joe.
Feb 13, 2023 at 7:18 PM
Advertisement
Avatar
JACOBANDNICKOLAS
  • CERTIFIED EXPERT
  • 110,175 POSTS
Hi,

If you suspect the relay is the cause, you won't like what I found. The cargo lamp relay is integral to the printed circuit board in the fuse box. If it is bad, the box needs to be replaced.

See pic below.

Let me know if you have questions.

Take care,

Joe

See pic below.
Feb 14, 2023 at 12:39 PM
Avatar
ME10000
  • MEMBER
  • 6 POSTS
Bummer thanks Joe, unless you think it might be something else.
Feb 14, 2023 at 7:02 PM
Avatar
JACOBANDNICKOLAS
  • CERTIFIED EXPERT
  • 110,175 POSTS
Hi,

If we are getting power from fuse 8 to the relay secondary side but power doesn't make it to the cargo lamp fuse, there is one other possibility.

For the relay to actuate and send power to the cargo lamp, the primary side of the relay needs to actuate first.

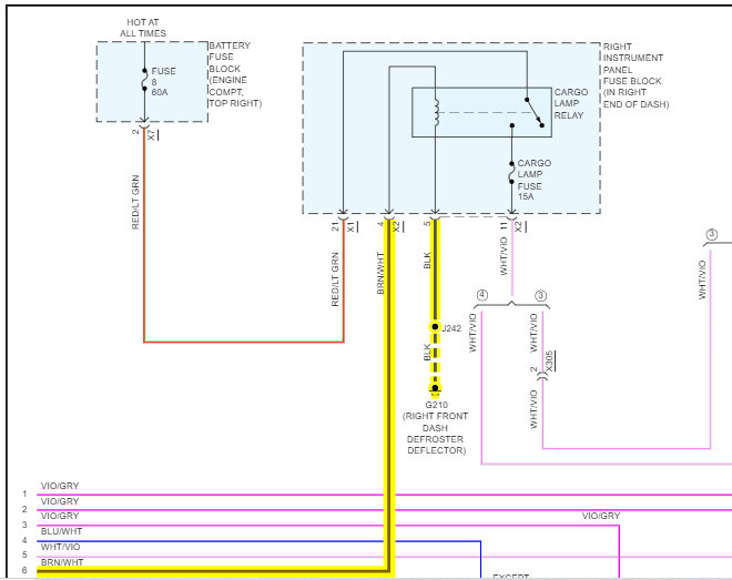
Here is how this works. Power from the body control module runs to the relay primary side via a brown wire with a white tracer. For that power to complete, there is a black wire from the primary to ground. Once that circuit is completed, the primary side (electromagnet) pulls the relay secondary side closed. As a result, power can then flow from fuse 8 through the relay, through the cargo lamp fuse, and to the light.

So, you could check the primary side to confirm the circuit is completed when you request the cargo lamp. You will need to locate the two aforementioned wires where they enter the box. With the cargo lamp on, there should be power to the brown/white wire. If there is, then you need to confirm there is a ground present from the black wire. If there is and no change with the relay, the relay is the problem.

That may be confusing. If you have questions, let me know. Also, I attached a pic below showing the wiring I'm referring to and here is a link that explains how a relay works in more detail:

https://www.2carpros.com/articles/how-to-check-an-electrical-relay-and-wiring-control-circuit

Please understand that the relay in the link is one that is removable. However, the same basic principles apply.

Let me know.

Joe

See pic below.
Feb 15, 2023 at 6:03 PM
Avatar
ME10000
  • MEMBER
  • 6 POSTS
Thanks Joe, got sidetracked with work this weekend. I'm going try what you said I will connect you if I have questions, I will let you know what I find out.
Feb 16, 2023 at 6:19 PM
Avatar
JACOBANDNICKOLAS
  • CERTIFIED EXPERT
  • 110,175 POSTS
Thanks for the update. Take your time and let's keep our fingers crossed it is a bad ground or something simple and inexpensive to repair.

Take care and have a good Friday.

Joe
Feb 16, 2023 at 7:27 PM
Avatar
ME10000
  • MEMBER
  • 6 POSTS
Found the problem, bad switch on dash trace the wires from BCM all way to switch power went in switch, but no power out tapped on switch with ratchet started working ordered new one. Thank you for everything Joe.
Sincerely, Scott
Feb 18, 2023 at 7:22 PM
Avatar
JACOBANDNICKOLAS
  • CERTIFIED EXPERT
  • 110,175 POSTS
Hi,

Thanks for the update. That's good news. Honestly, I am starting to understand why I'm losing my hair. LOL Nothing is ever easy anymore. There was once a time I could simply listen to a vehicle and know what was wrong. Anymore, it is nothing but tracing and testing.

Regardless, I'm glad to know it isn't something crazy and expensive. Take care of yourself and please feel free to come back anytime in the future.

Joe
Feb 18, 2023 at 8:18 PM
Avatar
ME10000
  • MEMBER
  • 6 POSTS
I will, thanks again for all your hard work for me.
Feb 18, 2023 at 9:45 PM