Hi and thanks for using 2CarPros.com. Wow! That is a problem. First, make sure there are no vacuum leaks that could be helping cause the problem. Also, make sure nothing is causing the throttle to stick open such as a bad cable, miss-routed cable.
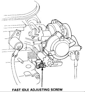
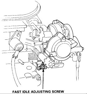
Next, make sure the choke fast idle is set correctly. Note: Fast idle speed is 2500 + or - 500 RPM'S. I have attached a picture (picture one) of the fast idle mechanism and here are the directions for adjusting it.
Fast Idle Inspection/Adjustment
HOT ENGINE
Start the engine and warm it up to normal operating temperature (the cooling fan comes on).
Stop the engine and connect a tachometer to it.
Disconnect and plug the inside vacuum hose of the fast idle unloader.
To engage the fast idle cam, open and close the throttle fully while holding the choke valve closed.
Restart the engine.
Fast idle should be 2500 ±500 rpm.
If not OK, reset the fast idle speed by turning the screw shown.
The directions I have for setting idle speed are from alldata and are know as a propane Enrichment Method. I will list the the directions here and add pictures for you to see where the adjustments are made. Keep in mind, these are very specific directions designed to set both idle speed as well as air fuel mixture. Additionally, they explain how to check for vacuum issues. See pics 2 - 9.
IDLE SPEED/MIXTURE INSPECTION/ADJUSTMENT
Propane Enrichment Method
WARNING:
Do not smoke during this procedure. Keep any open flame away from your work area.
NOTE: This procedure requires a propane enrichment kit.
Start engine and warm up to normal operating temperature (the cooling fan comes on).
Remove the vacuum hose from the intake air control diaphragm and clamp the hose end.
Connect tachometer.
Check idle speed with the headlights, heater blower, rear window defogger, cooling fan and air conditioner off.
Idle speed should be: 800 ±50 rpm
Adjust the idle speed, if necessary, by turning the throttle stop screw.
NOTE: If the idle speed is excessively high, check the dashpot system.
Disconnect air cleaner intake tube from air intake duct.
Insert the hose of the propane enrichment kit into the intake tube about 4-inches.
NOTE: Check that propane bottle has adequate gas before beginning test.
With engine idling, depress push button on top of propane device, then slowly open the propane control valve to obtain maximum engine speed. Engine speed should increase as percentage of propane injected goes up.
NOTE: Open the propane control valve slowly; a sudden burst of propane may stall the engine.
RPM increase should be: 50 ±20 rpm
If engine speed does not increase per specification, mixture is improperly adjusted. Go to step 8.
If engine speed increases per specification, go to step 21.
Close the propane control valve and remove the air cleaner.
Disconnect the vacuum hoses from the fast idle unloader.
Pull the throttle cable out of its bracket.
Remove the carburetor nuts and the bolt securing the steel vacuum manifold.
Lift the carburetor clear of its studs, then tilt it backwards so you can remove the idle controller bracket screws.
Remove the idle controller bracket.
Remove the mixture adjusting screw hole cap, then reinstall the idle controller bracket.
First check the insulator block for damage then reinstall the carburetor.
Reconnect the vacuum hose to the fast idle unloader.
Reinstall the air cleaner.
Start engine and warm up to normal operating temperature; the cooling fan will come on.
Remove the vacuum hose from intake air control diaphragm and clamp the hose end.
Reinstall the propane enrichment kit and recheck maximum propane enriched rpm.
If the propane enriched speed is too low, mixture is too rich: turn the mixture screw 1/4-turn clockwise and recheck.
If the propane enriched speed is too high, mixture is too lean: turn the mixture screw 1/4-turn counterclockwise and recheck.
Close the propane control valve and recheck idle speed.
Idle speed should be: 800 ±50 rpm
If idle speed is as specified (step 4), go to step 22.
If idle speed is not as specified, adjust by turning throttle stop screw, then repeat steps 20 and 21.
If the intake air temperature is above 65°C (149°F), go on to step 23 through 26.
Disconnect #5 vacuum hose from the air suction valve and plug the hose.
Disconnect the #27 vacuum hose from the pipe and plug the pipe. Attach vacuum pump/gauge to the #27 hose and apply vacuum.
The vacuum pump should hold vacuum .
If pump holds vacuum go to step 25.
If pump does not hold vacuum disconnect control box connector and then apply vacuum. If pump still does not hold vacuum, replace solenoid or #27 vacuum hose. If pump now holds vacuum go onto step 25.
There should be no vacuum .
If there is vacuum, check the air leak solenoid valve.
With the engine idling, depress the push button on top of propane device, then slowly open the propane control valve and check for vacuum.
There should be vacuum .
If there is no vacuum, check the air leak solenoid valve.
Reconnect all hoses.
Check the air bleed valve B.
Remove propane enrichment kit and reconnect air cleaner intake tube on the air intake duct.
Reinstall the mixture adjusting screw hole cap.
If equipped with air conditioner, check the idle speed with the A/C on.
Idle speed should be: 750 ±50 rpm
I hope these directions are helpful.
Cheers,
Joe
Images (Click to enlarge)
May 10, 2018 at 6:51 PM