No crank, no start, no noise?

1996 LEXUS ES 300
190,000 MILES • 2.4L • V6 • 2WD • AUTOMATIC
Avatar
SIVARO
  • MEMBER
  • 1 POST
The car won't start at all. No crank no noise. Headlights turn on but no radio, dashboard, windows. No power. The battery is good had it checked.
Mar 2, 2023 at 5:25 PM
Advertisement
Avatar
STRAILER
  • CERTIFIED EXPERT
  • 53,855 POSTS
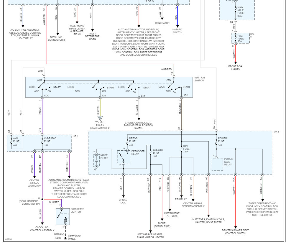
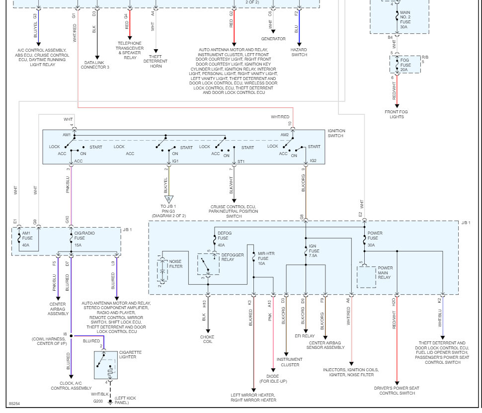
Let's start by checking the fusible links under the hood, here are the location and a guide to help you check for power:

https://www.2carpros.com/articles/how-to-use-a-test-light-circuit-tester

If the fuses are okay check for power through the ignition switch here are the wiring diagrams below so you can see which wires to test for power with the ignition on. Check out the images (below). Please let us know what you find. We are interested to see what it is.
Mar 3, 2023 at 10:33 AM