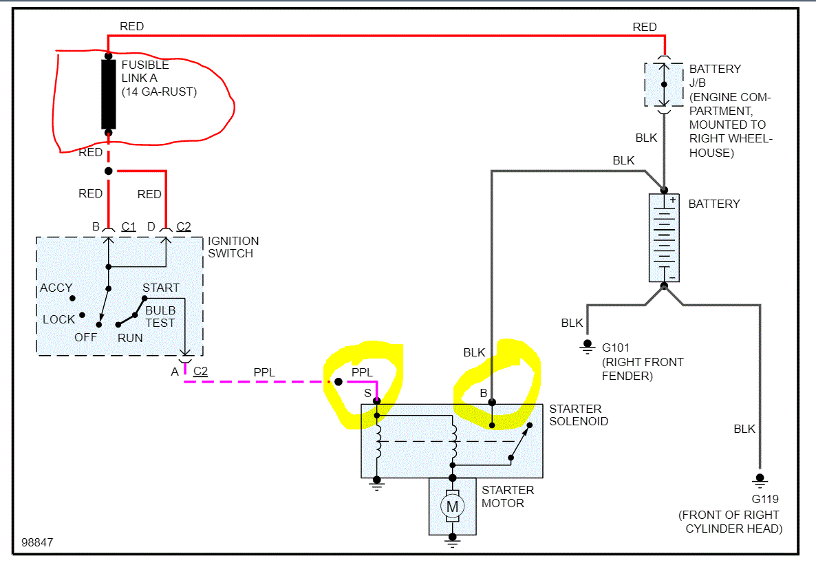
okay, here goes; I had some trouble with the exhaust system. I got that fixed two plug wires got cut (please don't ask) fixed that (new wires) then she refused to start. took the alternator in got it tested came back fine pot it back on checked the battery not perfect, so i replaced it with a new one. still no start. tried jumping the solenoid per mechanics suggestion didn't work. so, pulled the starter took it in for a rebuild mechanic insisted on checking it first. I'm glad he did, it was fine. so, brought it back put it on and hunted down the 20-amp fuse but again it was fine. so, i popped open the fuse panel and checked all of those fuses, all fine. put in a new set anyway just in case still no start. I really do not know what to try next. a guy at the parts store said a switch on the steering column, but I'm not sure what he meant. If you could help me out i would really appreciate it.
May 31, 2022 at 6:42 PM
