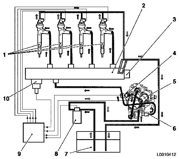
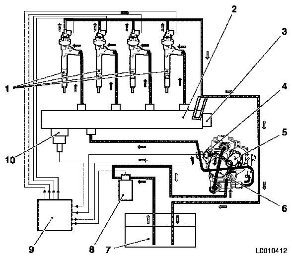
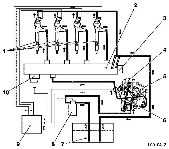
I had a problem with it for a long time now. It struggled to start, was often kind of choking when starting but would start eventually. Recently it got worse. When it is cold it starts fine, but after driving a while you cannot start it again on most occasions. If I come back to the car after few hours then I can start it again.
It was showing EGR valve error. I paid mechanic to clean it. But it did not help. To change EGR is so expensive especially when car is not worth a lot. I still would mind doing it if this would be definite answer, but I spoke with few friends and everyone says it could be numerous reasons.
Can you guys help please? Thanks
It was showing EGR valve error. I paid mechanic to clean it. But it did not help. To change EGR is so expensive especially when car is not worth a lot. I still would mind doing it if this would be definite answer, but I spoke with few friends and everyone says it could be numerous reasons.
Can you guys help please? Thanks
Aug 17, 2018 at 11:43 AM

