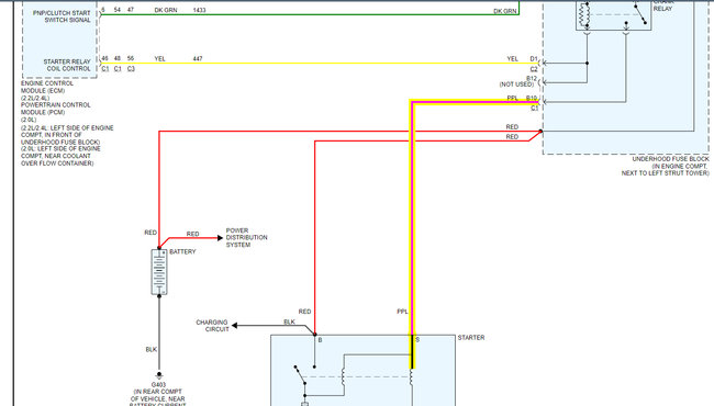
I disconnected the positive terminal on the battery to replace a starter on the car listed above (Ls sedan) and now won't start after reconnecting the positive terminal on the battery. so can you help me please?
Jun 5, 2021 at 3:57 PM









