Car will not start

2001 VOLKSWAGEN JETTA
200,000 MILES • 2.0L • 4 CYL • 2WD • AUTOMATIC
Avatar
CRIS VIOLETTE
  • MEMBER
  • 1 POST
started car and drove into the garage to change headlights. When I was finished the car now will not start. Lights and blinkers work. There is no power getting to the starter solenoid. I tested the ignition and I seem to have power coming out of the back of the starter. When I put the key in the start position it transferred power to a red with black striped wire. What can it be?
Feb 3, 2018 at 10:28 AM
Advertisement
Avatar
HARRY P
  • CERTIFIED EXPERT
  • 2,292 POSTS
So when you turn the key, you are seeing power get to the starter, correct? If so, then I would suspect either the battery is too weak to actually turn the starter or that the starter is bad.

So try jumping it. If you still cannot get it to start, then you will need to test them properly. I would start with removing the battery and taking it to the local auto parts store and have them check it. If it comes back as being fine, then you will have to remove the starter and have it tested at the parts store. They run these tests for free and they are good, reliable tests.

You can also try the backyard trick of tapping on the starter with a blunt object (preferably a rubber mallet) while someone else turns the key. Sometimes that will break the brushes inside the starter loose and allow it to turn. This is a *very* temporary fix.
Feb 3, 2018 at 6:43 PM
Avatar
CRIS VIOLETTE
  • MEMBER
  • 1 POST
I don't have power at all to the solenoid power wire.
Feb 6, 2018 at 3:09 PM
Advertisement
Avatar
HARRY P
  • CERTIFIED EXPERT
  • 2,292 POSTS
Have you checked your fuses and relays? A blown fuse or burnt relay could be the problem.
Feb 6, 2018 at 7:27 PM
Avatar
STRAILER
  • CERTIFIED EXPERT
  • 53,855 POSTS
Hello,

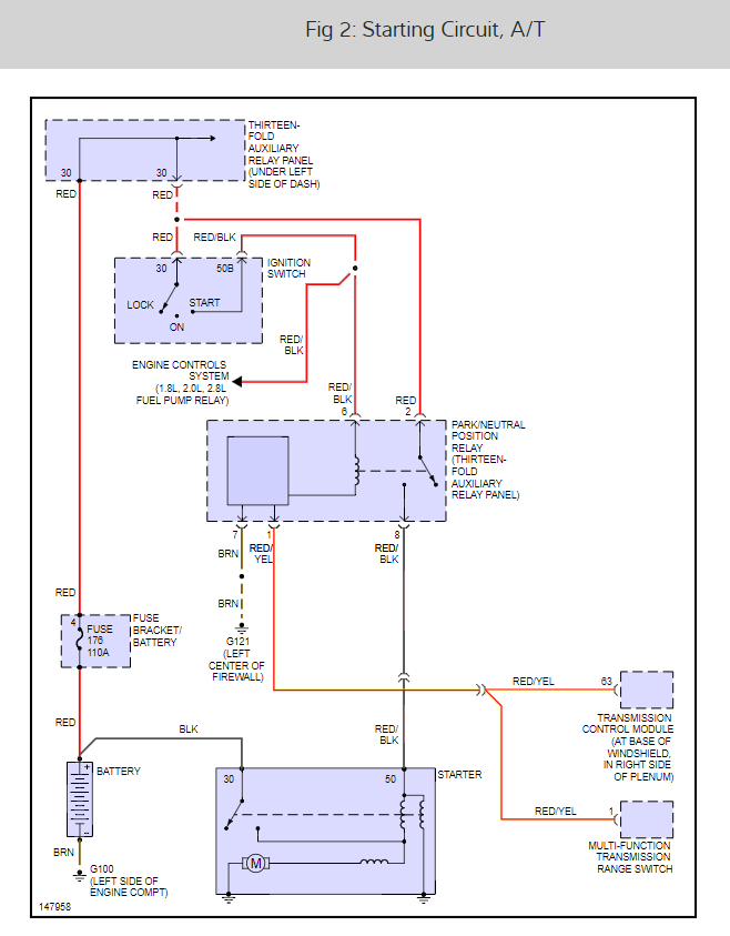
Here is a guide and a starter wiring diagram to help you see where you are losing power.

https://www.2carpros.com/articles/how-to-use-a-test-light-circuit-tester

Also is the security light flashing when you try and crank it over?

Check out the diagrams (Below)

Please let us know what you find.

Cheers, Ken
Feb 7, 2018 at 10:59 AM