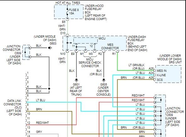
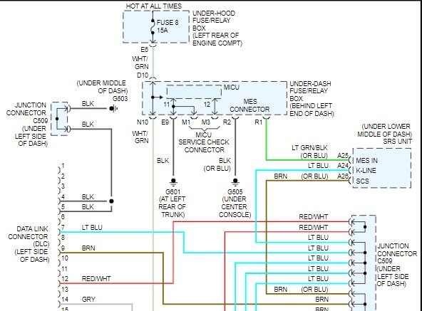
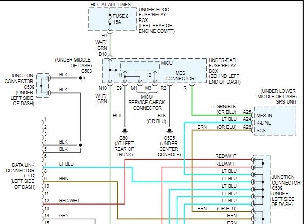
The ABS and TPS sensors are on in my car so my buddy tried to clear them with his ODB reader and apparently these two notifications have to be cleared by a mechanic. So my friend said that he could clear them with a paper clip, so I let him. Well now my car won't start and the ODB port isn't working either.
May 26, 2019 at 12:22 PM




