Wiil not start?

2006 CHEVROLET TAHOE
209,235 MILES • 5.3L • V8 • 4WD • AUTOMATIC
Avatar
JOSHUA HELMSTADTER
  • MEMBER
  • 2 POSTS
Car been driving fine, I got home last night shut off and parked for about 15 20 minutes, then went to start and now it won't. It cranks just doesn't start.
Nov 8, 2022 at 6:07 AM
Advertisement
Avatar
STRAILER
  • CERTIFIED EXPERT
  • 53,854 POSTS
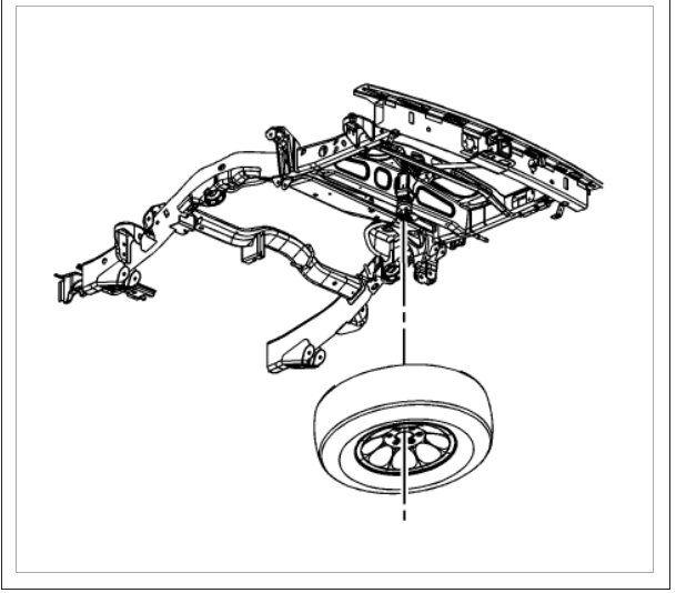
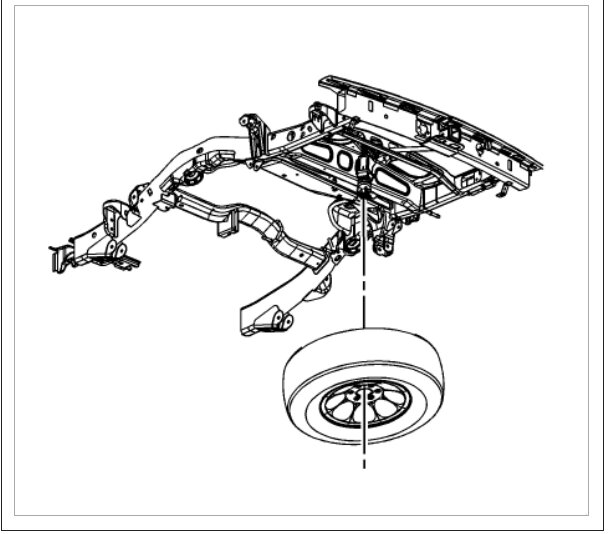
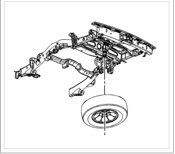
When you turn the key on without cranking the engine over do you hear the fuel pump run inside the fuel tank for about 5 seconds? If not, you could have a bad fuel pump or fuel pump relay. Here is a guide to help as well and I have included how to change the fuel pump out and the location of the fuel pump relay. Also, you can try some starting fluid to see if it will run to help confirm the fuel pump issue.

https://www.2carpros.com/articles/car-not-running-advanced

Check out the images (below). Please let us know what you find. We are interested to see what it is.
Nov 8, 2022 at 8:44 AM
Avatar
JOSHUA HELMSTADTER
  • MEMBER
  • 2 POSTS
I believe I hear the fuel pump not sure. But would the purge valve keep my car from not starting? I have 3 codes that come up p0172, p0175 and p0446 and I have already changed my EVAP vent solenoid valve.
Nov 9, 2022 at 7:21 AM
Advertisement
Avatar
STRAILER
  • CERTIFIED EXPERT
  • 53,854 POSTS
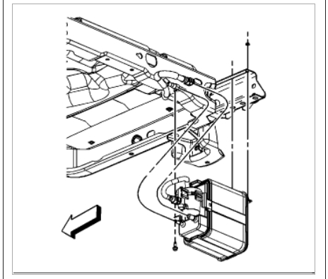
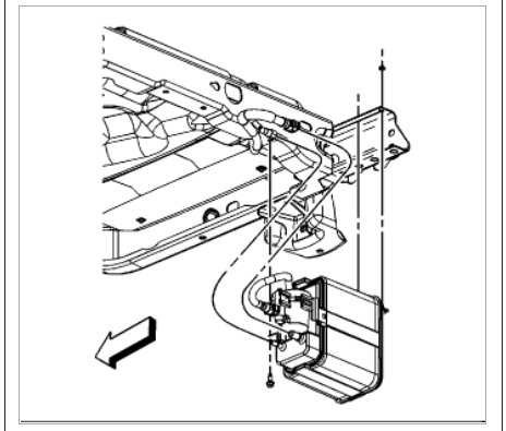
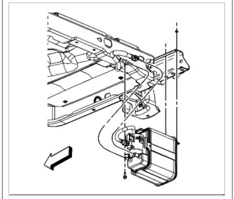
None of these codes will make it not start. But they can be a clue, can you try to unplug the MAF sensor so we can see if the engine will start with the sensor? Here is the location, let me know what happens.
Nov 9, 2022 at 11:30 AM