Car will not start?

1998 FORD EXPEDITION
315,000 MILES • 4.7L • V8 • 2WD • AUTOMATIC
Avatar
ASTRATAURIM
  • MEMBER
  • 2 POSTS
I have replaced the battery, battery cable from the starter solenoid to the starter, starter solenoid on the firewall, and the starter but all I hear when I turn the key is a single loud click. I recently ran new battery cables down to the starter because I thought that would be the issue for the click and while I ran them down there, I loosened the starter and wiggled it. After that I tightened everything back up and had her running only once. After that the vehicle started making that single loud click again.
May 26, 2023 at 2:10 PM
Advertisement
Avatar
JACOBANDNICKOLAS
  • CERTIFIED EXPERT
  • 110,175 POSTS
Hi,

Are the battery terminals clean and tight? Also, did you check the ground wire to the engine block to make sure it is in good condition?

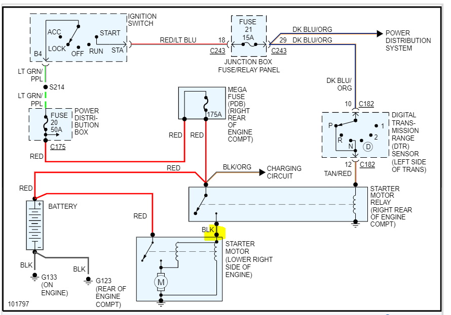
Let me know. Also, I attached the wiring schematic below for the circuit. If all wiring is tight and clean, have a helper turn the key to the start position while you check for power to the black wire at the starter motor. If you have power, chances are the starter is faulty. Note that the black wire (trigger wire) only should have power when the key is in the start position.

Let me know what you find or if you have questions.

Take care,

joe

See pic below.
May 26, 2023 at 11:58 PM