Car will not run

1994 BUICK CENTURY
385,000 MILES • 3.1L • V6 • 2WD • AUTOMATIC
Avatar
CA1970
  • MEMBER
  • 36 POSTS
Blew a head gasket, changed out both, and new intake set, got everything back together, set valve rocker at 10 foot pounds ( suppose to be 124 inch pound, which = 10.333 foot pounds as i do not have an inch pound torque wrench) engine getting fuel and fire, but wont run. compression test shows all cylinders averaging 126 , with no leak down. everything hooked back up to where it was except one plug we can find where it goes. (See image attached) Turns over great, small back fire through intake, just wont run. any suggestions? or any idea what the stray wire hooks to?
Jan 8, 2019 at 4:07 PM
Advertisement
Avatar
JACOBANDNICKOLAS
  • CERTIFIED EXPERT
  • 110,175 POSTS
Hi and thanks for using 2CarPros.

Is that a 2 pin connector? Are the wires black and pink? If so, check if it goes to the cam sensor. If that is disconnected, fuel injection timing will be off.

Also, see if it will start for a couple seconds using starting fluid. If it does, then the problem is fuel related. If it doesn't, reconfirm that there is spark. If the engine is getting both spark and fuel, the timing is correct, and it's can get air, it has no option but to run.

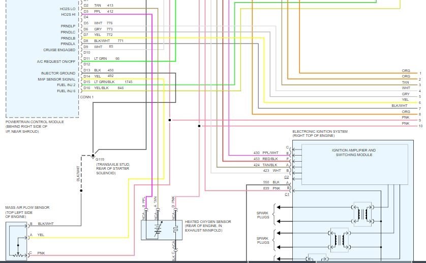
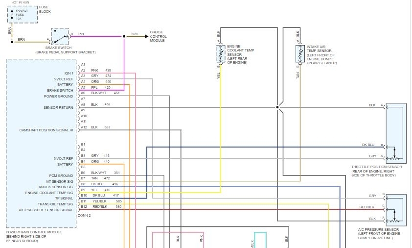
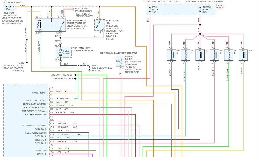
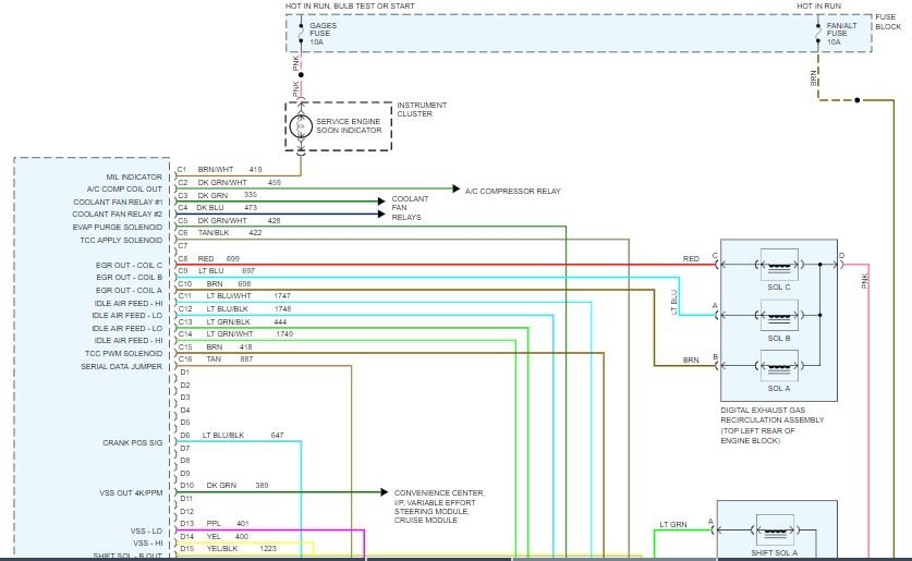
I attached part of a wiring schematic along with a picture of the sensor's location and where the plug is located.

Let me know if this helps and what you find.

Joe
Jan 9, 2019 at 8:24 PM
Avatar
CA1970
  • MEMBER
  • 36 POSTS
Wire shone in attachment photo I sent is 2 prong, wires are black and white. I doubled checked the cam sensor wires and they are hooked up. Car will kind of attempt to run on starter fluid, but wont quite get there, also tries to backfire through intake after stop turning key.
Jan 10, 2019 at 1:14 PM
Advertisement
Avatar
JACOBANDNICKOLAS
  • CERTIFIED EXPERT
  • 110,175 POSTS
I just read through the schematics again. I find nothing with a solid black and a solid white wire. The crank sensor is black and light blue.

Are you sure there isn't large vacuum leak causing it not to start?

This guide can help as well

https://www.2carpros.com/articles/car-cranks-but-wont-start
Jan 10, 2019 at 5:17 PM
Avatar
CA1970
  • MEMBER
  • 36 POSTS
after looking closer at that plug, the wires are brown and white.
Everything vacuum wise is sealed or has its hose on it, so no vacuum leaks that I know of at moment. Plugs getting fire, not sure if injectors are spraying yet. But if you spray ether into intake, it still wont run on it, which has me perplexed.
Jan 11, 2019 at 11:51 AM
Avatar
JACOBANDNICKOLAS
  • CERTIFIED EXPERT
  • 110,175 POSTS
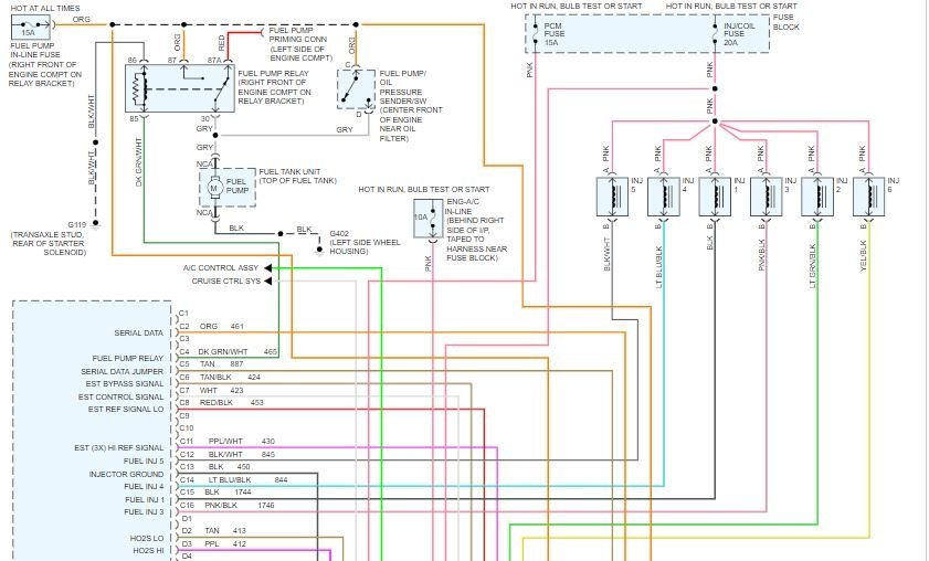
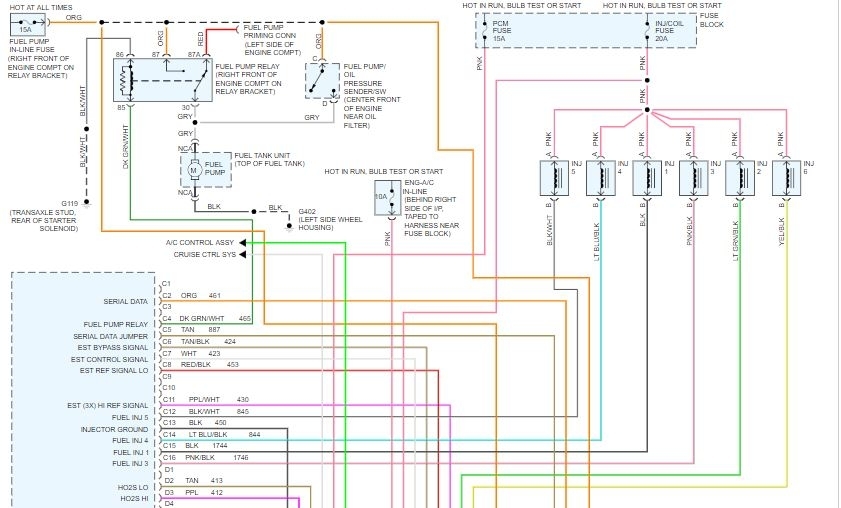
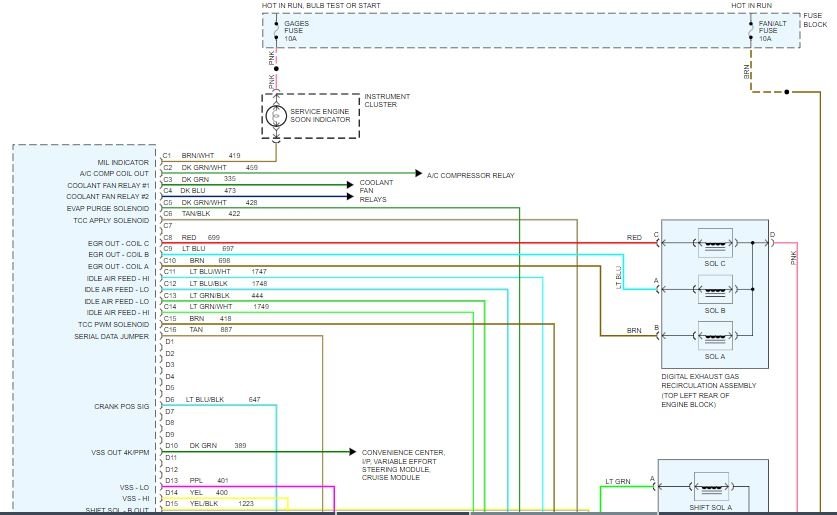
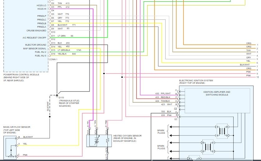
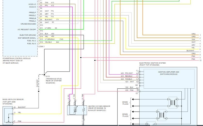
Okay, could it be tan? The Intake Air Temperature Sensor has a tan wire and a black. I am going to attach the schematics for the entire engine control power-train management system. I have to cut them in half for them to fit. I will kept them in order and overlapped them so you can see and understand them.,

Honestly, it should start with starting fluid. Are you getting a good hot blue snapping spark at the plugs?

Let me know if any of this helps.

Joe
Jan 11, 2019 at 6:08 PM
Avatar
CA1970
  • MEMBER
  • 36 POSTS
has a nice blue spark on all cylinder, pulled valve cover off to recheck valve torque, all good. did a compression test again on even bank, hits 150 on each cylinder, but very slowly leaks down to 120 & holds there
wondering if the head is warped?
Jan 12, 2019 at 12:28 PM
Avatar
CA1970
  • MEMBER
  • 36 POSTS
Spark looks good and it is getting fuel.
Jan 12, 2019 at 1:22 PM
Avatar
JACOBANDNICKOLAS
  • CERTIFIED EXPERT
  • 110,175 POSTS
Welcome back:
It should run with that much compression. How many hits on the compression gauge does it take to reach this amount of compression? Are you getting an injector pulse?
Jan 12, 2019 at 1:39 PM
Avatar
CA1970
  • MEMBER
  • 36 POSTS
Three turns and it hits 135, injectors are pulsing.
Jan 12, 2019 at 2:18 PM
Avatar
JACOBANDNICKOLAS
  • CERTIFIED EXPERT
  • 110,175 POSTS
Nothing was done to affect timing?
Jan 12, 2019 at 3:15 PM
Avatar
CA1970
  • MEMBER
  • 36 POSTS
not that I am aware of.
Jan 12, 2019 at 8:47 PM
Avatar
JACOBANDNICKOLAS
  • CERTIFIED EXPERT
  • 110,175 POSTS
It should run. we are missing something simple. I am going to ask one of the other mechanics on this site for his opinion. However, if there is spark, fuel, compression, and the timing is correct, it should run. Take a look at the two pictures to see if that helps find the location of the wire that's disconnected.

Lets see if he has any suggestions.

Joe
Jan 12, 2019 at 10:19 PM
Avatar
STRAILER
  • CERTIFIED EXPERT
  • 53,854 POSTS
In the video the starter sounds a little strange is the engine turning over fast enough? I am wondering if you have spark at the right time? Does it even try to run can you do a video with the plugs in?
Jan 13, 2019 at 10:56 AM
Avatar
CA1970
  • MEMBER
  • 36 POSTS
We got it running. :) JacobandNickolas last set of images had me double check all the wiring. Knock sensor was not hooked on tight, soon as we plugged it in good, car fired right up. Never seen a knock sensor keep one from running, but it runs, so not going to question it. Thanks much for the help!
Jan 13, 2019 at 1:34 PM
Avatar
JACOBANDNICKOLAS
  • CERTIFIED EXPERT
  • 110,175 POSTS
Great! The knock sensor plays with ignition timing, so anything is possible. Regardless, I'm glad it helped and wish you a great 2019.

Let us know if you have questions in the future.

Take care,
Joe
Jan 13, 2019 at 4:02 PM