Car will not crank or turn on

2002 HYUNDAI XG350
100,000 MILES • 3.5L • 6 CYL • FWD • AUTOMATIC
Avatar
BOBBIE CRUMP
  • MEMBER
  • 3 POSTS
When drive my car down the road the vehicle cut off and comes to a stop. I tried to crank it back and it would not do nothing. I noticed all my lights hazards nothing was working. I told you to go home to check everything I needed to before messaging you. The battery charged and good. All the fuses are correct and I check the ground wire to the battery and it is also fine. I even put new ends on the end of my battery cables. I did notice my steering wheel never locked up even with the keys out. My battery oil brake light stay on at all times and the check engine light comes on when I put the keys in and turn it over.
Feb 22, 2017 at 12:11 PM
Advertisement
Avatar
STRAILER
  • CERTIFIED EXPERT
  • 53,855 POSTS
Hey BOBBIE,

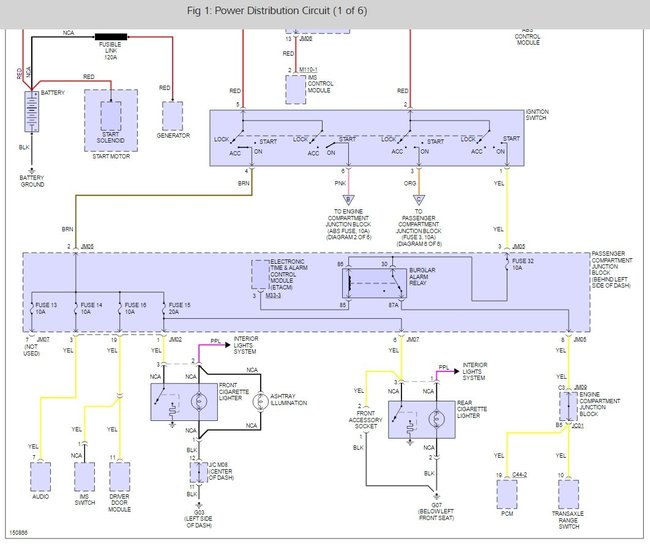
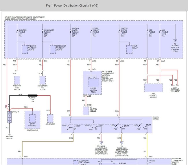
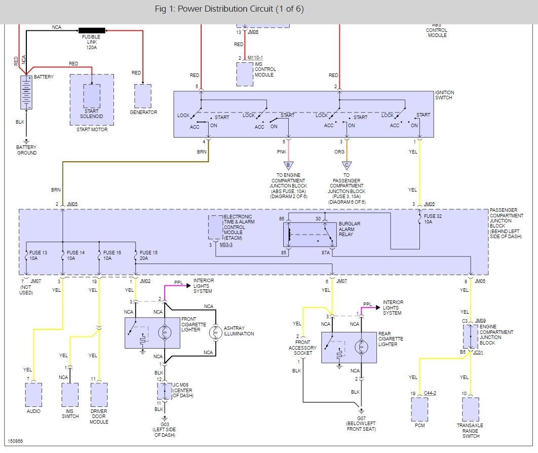
It sounds like the ignition switch is bad in the car. Here is a wiring diagram and guide so you can do some testing.

https://www.2carpros.com/articles/how-to-use-a-test-light-circuit-tester

Please run some tests and get back to us so we can continue helping you.

Best, Ken

Feb 24, 2017 at 2:18 PM
Avatar
BOBBIE CRUMP
  • MEMBER
  • 3 POSTS
Would the igition switch cause the car to stall?? And if it is bad, would no Iight, like interior, exterior, hazards, turn signal not work.. I noticed that when pressing my hazard on, there is a buzzing sound right above my fuse box that wont go off unless I turn my hazards off, I located the noise, big black gaint looking fuse that I took to autozone amd replaced.. Then tried hazards again, same buzzing sound outta new part
Feb 25, 2017 at 2:36 PM
Advertisement
Avatar
STRAILER
  • CERTIFIED EXPERT
  • 53,855 POSTS
It almost sounds like there is a large ground problem, can you check the engine and chassis grounds off of the battery to see if they are clean and tight? Also check all power leads from the battery, follow them to the power supplies. Pull on any fusible links to see they are broken if the car has them.

Best, Ken
Feb 26, 2017 at 6:18 PM