☰
Login
Join
×
Home
Answered Questions
Repair Topics
Repair & Service Guides
Popular Questions
Warning Lights
Trouble Codes
How It Works
Testing / Diagnostics
Symptoms
Videos
Login
Become a Member
Home
Chrysler
Concorde
Engine
Symptoms
Not Cranking Over
Engine will not crank
2002 CHRYSLER CONCORDE
165,000 MILES • 3.5L • 6 CYL • AUTOMATIC
JJ527
MEMBER
1 POST
FOLLOW
I got my battery tested, my starter tested and my alternator also. but my car still won’t crank. does anyone know what the problem could be?
Sep 3, 2021 at 12:34 PM
Advertisement
ASEMASTER6371
CERTIFIED EXPERT
52,796 POSTS
Good evening,
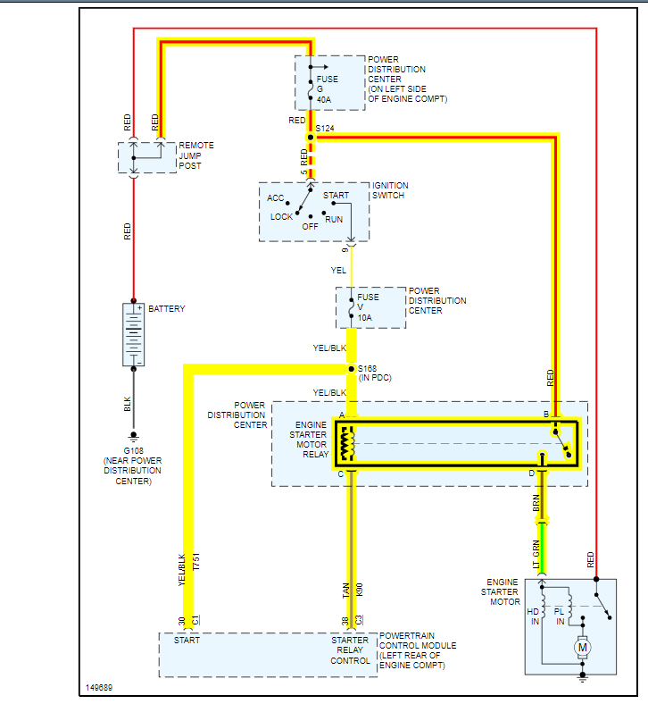
I attached a wiring diagram of the starter circuit for you to view. There are a couple of fuses you need to test as well as a relay.
https://www.2carpros.com/articles/how-to-check-a-car-fuse
https://www.2carpros.com/articles/how-to-check-an-electrical-relay-and-wiring-control-circuit
https://www.2carpros.com/articles/how-to-check-wiring
https://www.2carpros.com/articles/how-to-use-a-voltmeter
I attached the location of the relay. When you can, let me know and I can help guide you through the diagnostics.
https://www.2carpros.com/articles/starter-not-working-repair
Roy
Images (Click to enlarge)
Sep 3, 2021 at 6:36 PM